Известия РАН. Механика жидкости и газа, 2019, № 5, стр. 40-51
ЭКСПЕРИМЕНТАЛЬНОЕ ИССЛЕДОВАНИЕ РАСПАДА И РАЗМЫВАНИЯ ПЕРЕРАСШИРЕННОЙ ТРЕУГОЛЬНОЙ СВЕРХЗВУКОВОЙ СТРУИ
А. Сурешкумар a, b, *, Б. Т. Н. Сридхар a
a Department of Aerospace Engineering, Madras Institute of Technology, Anna University
600 044 Chrompet, Chennai, India
b Velammal Engineering College
600 066 Chennai, India
* E-mail: sureshtzy@gmail.com
Поступила в редакцию 26.08.2018
После доработки 18.10.2018
Принята к публикации 20.12.2018
Аннотация
Выполнены эксперименты с перерасширенными треугольными равносторонними сверхзвуковыми струями при числе Маха 1.8 и числах Рейнольдса 6.71 × 105 и 4.81 × 105. Цель работы состояла в исследовании характеристик размывания и распада струи путем измерения полного давления вдоль ее центральной линии и в поперечном направлении. Ударно-волновая структура струи изучена на основе щлирен-изображений. Вышеприведенные числа Рейнольдса соответствуют полным давлениям на входе сопла 550 кПа (6.71 × 105) и 360 кПа (4.81 × 105). Для сравнения аналогичные эксперименты выполнены для случая кругового сопла при тех же значениях площади выходного сечения и отношения площадей (1.44) и при тех же полных давлениях. Экспериментальные данные показывают, что треугольная струя имеет меньшую, чем круговая, длину сверхзвукового ядра, причем уменьшение составляет 34.25% при 360 кПа и 31.11% при 550 кПа. Падение полного давления в треугольной струе происходит резче и ближе к выходному сечению, чем для круговой струи. Поперечные распределения полного давления показывают, что степень размывания треугольной струи меньше в окрестности ее углов, чем в центральных частях сторон треугольника.
В течение многих десятилетий проводились широкие экспериментальные исследования некруговых струй, причем больше внимания уделялось дозвуковым, чем сверхзвуковым струям. В работе [1] показано, что характеристики смешения дозвуковых эллиптических струй лучше, чем у прямоугольных струй. Благодаря некруговой форме, эллиптические и прямоугольные струи распадаются быстрее, чем круговые, особенно в плоскости малой оси. Более быстрое падение полной скорости вдоль оси некруговой струи указывает на ее более быстрый распад и более интенсивный рост мелкомасштабных турбулентных пульсаций. Также обнаружено, что общими для некруговых струй являются переключение осей, азимутальные вариации степени размывания слоя смешения и генерация мелкомасштабных турбулентных вихрей [2]. В работе [3] исследован эффект отношения осей сверхзвуковой эллиптической струи на смешение при наличии встречного и бокового градиента давления на выходе из сопла. Экспериментальные данные показывают, что у сопла с отношением осей 4 достигается лучшая степень смешения, чем у сопел с отношениями осей 2 и 3. В [4] изучена структура сверхзвуковых струй, истекающих из круговых, шестиугольных и квадратных сопел. Отмечается, что распад сверхзвуковых некруговых струй определяется главным образом ее большой осью. Чем больше величина Dh – a/4, где Dh – гидравлический диаметр и a – бóльший размер выходного сечения, тем больше длина сверхзвукового ядра [4]. По данным работы [5] потеря полного давления в эллиптической и прямоугольной сверхзвуковых струях составляет 50% в ближнем поле течения. При исследовании некруговых струй лишь несколько работ было посвящено треугольным струям, особенно сверхзвуковым. Имеется, однако, некоторое число работ по характеристикам течения дозвуковых треугольных струй. Так, в [6] исследованы характеристики течения в треугольных струях применительно к форсункам горючего. Отмечено, что у середин сторон образуются весьма когерентные структуры, тогда как в окрестностях углов доминируют мелкомасштабные вихри. Нелинейное взаимодействие между средними и пульсационными компонентами течения приводит к более быстрому размыванию струи в угловых областях, где образуются более толстые сдвиговые слои [6]. Численное моделирование при числе Рейнольдса Re = 800 [7] позволило установить, что характеристики смешения у некруговых струй (квадратных, прямоугольных, эллиптических и треугольных) лучше, чем у круговых. Характеристики треугольных струй (равнобедренных и равносторонних) существенно отличаются от других некруговых струй. У треугольных струй дважды происходит переключение осей. Сделан вывод, что с точки зрения смешения более эффективны равнобедренные струи. В работе [8] экспериментально исследованы характеристики смешения на центральной линии струй, истекающих из сопел девяти различных форм, в том числе треугольных равнобедренных и равносторонних, при числе Рейнольдса Re = 0.15 × 105. Сделан вывод, что некруговые струи более эффективны, чем круговые, с точки зрения усиления смешения в ближнем поле (x/De < 10). При этом равнобедренная треугольная струя наиболее эффективна среди всех некруговых струй. В работе [9] проведены измерения среднего течения и турбулентности в свободной струе, вытекающей из равносторонней треугольной щели с острыми краями. Показано, что размывание струи интенсивнее у основания треугольника, чем у его вершины. В позднейших исследованиях треугольных струй были выполнены детальные измерения ближнего поля течения в равнобедренной (с углом при вершине 30°) и равносторонней треугольной струях при Re = 1.84 × 105. Сделан вывод о том, что смешение в равнобедренной треугольной струе происходит медленнее, чем в равносторонней. По сравнению с круговой и равносторонней треугольной струями, равнобедренная треугольная струя была наиболее энергичной. Также было обнаружено, что в равнобедренной треугольной струе, истекающей из отверстия с углом при вершине 30°, возникало поле направленных по потоку вихрей, в котором преобладали пары вихрей, вращающиеся в противоположных направлениях и согласованные с углами треугольника. Именно они оказывали основное влияние на смешение и вовлечение массы в струю [10]. В [11] экспериментально исследован процесс смешения в свободных турбулентных струях, истекающих из равнобедренных треугольных отверстий с углами при вершине 10°, 20° и 30° при Re = 1.93 × 105. Сделан вывод, что наилучшие характеристики смешения у равнобедренной треугольной струи с углом при вершине 10°. В численном исследовании [12] также подтверждается, что треугольная струя обладает лучшими характеристиками смешения, чем круговая и квадратная струи при Re = 0.21 × 105. В работе [13] проведены эксперименты с двумя равнобедренными треугольными струями, истекающими из отверстий с острыми краями и углами при вершине 30° и 160°, круговой струей, истекающей из отверстия с острыми краями и круговой струей, истекающей из профилированного сопла при Re=1.68 × 105. Исследование показало, что степень смешения с окружающей воздушной средой для струи, истекающей из равнобедренного треугольного отверстия с углом при вершине 160° выше, чем для струи с углом при вершине 30°. Все вышеупомянутые исследования выполнены для дозвуковых струй.
Насколько известно авторам, в литературе нет репрезентативного и детального экспериментального исследования сверхзвуковых треугольных струй. В работе [14] проведены эксперименты с некруговыми струями, включая квадратные и треугольные равнобедренные и равносторонние струи, а также круговыми струями при дозвуковых, звуковых и сверхзвуковых условиях истечения. В экспериментах со сверхзвуковыми недорасширенными струями при числе Маха 2 была выполнена шлирен-визуализация течения, показавшая, что имеет место взаимодействие между ударными волнами и сдвиговыми слоями на двух сторонах струи. В результате усиливаются турбулентность в угловых областях и размывание струи у середин сторон треугольника. Цель данной работы состоит в подробном изучении характеристик распада и расширения сверхзвуковых треугольных струй и их ударно-волновой структуры в режиме перерасширения.
1. ЭКСПЕРИМЕНТАЛЬНАЯ УСТАНОВКА И МЕТОДИКА
Установка со свободной струей и шлирен-система, использованные в настоящей работе, показаны на рис. 1а, б. Сжатый воздух подается в форкамеру через управляющие клапаны, сепаратор влаги и регулятор давления и далее поток расширяется в сопле Лаваля. Полное давление измеряется трубкой Пито. Последняя соединена со сканером давления, где и происходят измерения; полученные данные хранятся в персональном компьютере.
Рис. 1.
Схема установки, создающей свободную струю (а) Установка, создающая струю; (б) Шлирен-система.

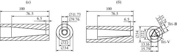
В настоящей работе рассматривались два сопла Лаваля с круговым и треугольным выходными сечениями одной и той же площади; также были одинаковы площади критических сечений, откуда следует равенство степеней расширения сопел и чисел Маха на выходе. Размеры сопла для обеих конфигураций приведены на рис. 2. Отношение площадей для обоих сопел было равно 1.44, а номинальное число Маха на выходе 1.8. Согласно одномерной изэнтропической теории, полное давление, требуемое для оптимального расширения в окружающую среду, должно быть 576 кПа.
Рис. 2.
Размеры кругового и равностороннего треугольного сопел Лаваля. (а) круговое сопло ; ( б) равностороннее треугольное сопло (все размеры в мм).

1.1. Детали измерений давления
Сканер давления изготовлен фирмой Measurement Specialties Inc. (США). Он измеряет давление с частотой опроса 500 Гц, имея 16 приемников давления. Сканер может работать в диапазоне давлений до 5860 кПа с точностью ±0.05. Отношение торцевой площади трубки Пито к площади выходного сечения сопла составляло 2.9%, что было в допустимых пределах с точки зрения загромождения потока (см. рис. 3).
Измерения полного давления проводились во всех трех направлениях X, Y и Z с использованием траверсного механизма. Наименьший отсчет траверсного механизма составлял 0.04 мм. На рис. 4а показаны измерения для круговой струи в направлениях координат X, Y и Z, а на рис. 4б измерения для равносторонней треугольной струи в направлениях rB и rV, где rB – радиальное расстояние от центра треугольника по нормали к основанию, а rV – радиальное расстояние от центра треугольника к его вершине.
1.2. Метод визуализации течения
Теневые фотографии течения в треугольной струе снимались в направлениях, параллельном и перпендикулярном основанию треугольника, как показано на рис. 4б. Ударно-волновая структура круговой и треугольной струй, полученная при съемке, обсуждается в следующем разделе. В основном, использованная шлирен-система есть система Z-типа с двумя зеркалами и источником света (рис. 1б).
2. ОБСУЖДЕНИЕ РЕЗУЛЬТАТОВ
2.1. Падение полного давления вдоль центральной линии
Так как площади выходного сечения кругового и треугольного сопел одинаковы, то и эквивалентный диаметр De треугольного сопла равен диаметру D кругового сопла. Итак, D = De. Для обеих струй полное давление вдоль центральной линии измерялось вплоть до расстояния 26D от среза сопла. Оно измерялось с шагом 0.25 мм от плоскости среза сопла до 240 мм и с шагом 0.5 мм от 240 мм до 340 мм. Далее полное давление вдоль центральной линии струи измерялось с шагами 1 и 2 мм. Ось X совпадет с осью сопла (центральной линией струи), а ось Y – поперечная ось струи. Система координат показана на рис. 4.
Изменение полного давления по центральной линии круговой и треугольной струй при poi = = 360 кПа построено на рис. 5. Из графика следует, что пространственные осцилляции полного давления в круговой струе весьма велики по сравнению со случаем треугольной струи. При входном полном давлении 360 кПа из сопла Лаваля истекают перерасширенные струи. Из рис. 5 можно видеть, что длина сверхзвукового ядра круговой струи составляет 7.1D, а треугольной струи – 4.6De. Колебания полного давления в круговой струе наблюдаются до расстояния 7.1D, с 7.1D до 8.5D полное давление быстро убывает, а с 8.5D до 13D постепенно сравнивается с уровнем окружающей среды. Поведение полного давления в случае треугольной струи аналогично, однако амплитуда осцилляций для этой струи меньше. Убывание полного давления вдоль центральной линии струи при более высоком входном давлении торможения 550 кПа представлено на рис. 6.
Рис. 5.
Распределение давления Пито вдоль центральной линии круговой и треугольной струй (полное давление на входе p0i = 360 кПа).

Рис. 6.
Распределение давления Пито вдоль центральной линии круговой и треугольной струй (полное давление на входе p0i = 550 кПа).

Длина сверхзвукового ядра круговой струи равна 9D, а треугольной струи 6.2D. Число осцилляций для круговой струи больше, чем для треугольной. Это результат наличия острых углов у треугольного выходного сечения: они индуцируют направленные по потоку вихри, сходящие с вершин треугольника, что приводит к быстрой потере полного давления.
Падение полного давления в области сверхзвукового ядра анализируется по поведению следующих четырех параметров.
1. Осредненное по пространству измеренное полное давление в сверхзвуковом ядре струи, которое вычислялось по формуле
(2.1)
$\begin{gathered} {{({{p}_{o}})}_{{avg}}} = {\text{площаль под кривой}} \\ {\text{в сверхзвуковом ядре/длина сверхзвукового ядра}}, \\ \end{gathered} $Результаты расчетов по формуле (2.1) представлены в табл. 1. Видно, что значения полного давления в треугольной струе ниже, чем в круговой струе, при обоих входных полных давлениях 360 и 550 кПа. В случае круговой струи длина сверхзвукового ядра больше при обоих входных давлениях. Меньшая длина сверхзвукового ядра треугольной струи указывает на более быстрое падение полного давления и более интенсивное смешение с окружающим воздухом ближе к плоскости среза сопла, чем в случае круговой струи.
Таблица 1.
Характерные параметры сверхзвукового ядра струи
| №. | Измеренный параметр | Круговое сопло | Треугольное сопло | ||
|---|---|---|---|---|---|
| 360 кПа | 550 кПа | 360 кПа | 550 кПа | ||
| 1. | (po)avg, кПа | 304 | 422 | 258 | 367 |
| 2. | (po)rms, кПа | 309 | 425 | 258 | 377 |
| 3. | βrms, кПа/мм | 15 | 19 | 8 | 13 |
2. Среднеквадратичное значение измеренного полного давления (po)rms рассчитывалось для треугольной и круговой струй. Результаты приведены в табл. 1. Для треугольной струи (po)rms на 16.5% и 11.3% ниже, чем для круговой струи, при входных давлениях 360 и 550 кПа соответственно.
3. Среднеквадратичные значения локальных градиентов давления βrms рассчитывались в сверхзвуковом ядре круговой и треугольной струй по локальным градиентам давления dpo/dx. Очевидно, что у треугольной струи βrms на 45.13% и 30.15% ниже, чем у круговой струи, при 360 и 550 кПа соответственно. Меньшие значения βrms у треугольной струи показывают, что сверхзвуковое ядро этой струи обладает сравнительно слабой волновой системой.
4. Можно определить общее число пиков и впадин в распределениях полного давления в сверхзвуковом ядре обеих струй. Пространственные осцилляции полного давления вызваны наличием волн сжатия и разрежения в сверхзвуковом ядре. Как следует из рис. 5, для круговой струи при 360 кПа имеется 8 пиков полного давления и 9 впадин. Длина сверхзвукового ядра треугольной струи на 34.25% меньше, чем у круговой струи. Вовлечение в струю окружающего воздуха и распад струи происходят в случае треугольной струи интенсивнее, в результате чего количество пиков и впадин в распределении полного давления равно 6 и 7 соответственно. При более высоком входном давлении 550 кПа число пиков и впадин для круговой струи равно 6 (рис. 6), а для треугольной струи оно равно 5. При 550 кПа сверхзвуковое ядро треугольной струи на 31.11% короче, чем в случае круговой струи. Падение полного давления на центральной линии, смешение с окружающим воздухом и его вовлечение в струю интенсивнее в случае треугольной струи.
Таким образом, смешение струи с окружающей средой происходит более эффективно в треугольных струях. Сопоставление величин (po)avg и (po)rms в целом также подтверждает вывод о том, что поток, проходящий через ударно-волновую структуру сверхзвуковой струи, истекающей из треугольного сопла, обладает меньшей энергией. На это же, возможно, указывает и тот факт, что при заданном полном давлении параметр βrms меньше в случае треугольной струи. Треугольная струя также имеет более короткое сверхзвуковое ядро, и ее характеризует более сильное смешение с окружающим воздухом и его вовлечение в поток струи вблизи среза сопла.
2.2. Длина сверхзвукового ядра
Длина сверхзвукового ядра зависит от полного давления струи на входе. Наблюдения показывают, что при полных давлениях 360 и 550 кПа эта длина больше у круговой струи. У треугольной струи эта длина меньше из-за наличия острых углов у выходного сечения сопла.
Длина сверхзвукового ядра может быть вычислена по следующей формуле [5].
(2.2)
${{L}_{c}} = (\sqrt {{{p}_{{oi}}}} {\text{/}}\sqrt {{{p}_{a}}} ){\text{*}}({{D}_{h}} - d{\text{/}}2){\text{*2}}l{\text{*}}({{C}_{{nc}}}{\text{/}}{{C}_{{lip}}}){\text{*}}1{\text{/}}\zeta $В уравнении (2.2) использованы следующие обозначения
| Параметр выходного сечения | Круговое сопло | Треугольное Сопло |
| 1. Гидравлический диаметр, Dh (мм) | 11.73 | 9.12 |
| 2. Периметр выходного сечения некругового сопла, Cnc (мм) | 36.83 | 47.37 |
| 3. Характерная диагональ, d (мм) | 11.73 | 13.67 |
| 4. Периметр обечайки сопла, Clip (мм) | 106.81 | 106.81 |
| 5. Эквивалентное значение диагонали, l (мм) | 11.73 | 11.73 |
| 6. Коэффициент формы, ζ | 1 | 0.777 |
| 7. Начальное полное давление, poi (кПа) | 360&550 | 360&550 |
| 8. Давление окружающей среды, pa (кПа) | 101 | 101 |
Длина сверхзвукового ядра вычисляется по формуле (2.2), а также по данным на рис. 5 и 6. Для двух значений полного давления результаты для круговой и треугольной струй представлены в табл. 2.
Таблица 2.
Длина сверхзвукового ядра (Lc)
| Длина сверхзвукового ядра (Lc), мм | Круговое сопло | Треугольное сопло | |||
|---|---|---|---|---|---|
| 360 кПа | 550 кПа | 360 кПа | 550 кПа | ||
| 1. | По формуле (2.2) | 89 | 110 | 58 | 71 |
| 2. | По измерениям полного давления | 83 | 106 | 54 | 73 |
При полном давлении в 360 кПа отклонения длины сверхзвукового ядра от значений, вычисленных по формуле (2.2), составляют –7.23% и –7.40% для круговой и треугольной струй соответственно. При давлении 550 кПа отклонение равно –3.77% для круговой и 2.74% для треугольной струи. Очевидно, что сверхзвуковое ядро треугольной струи короче, что указывает на усиленное смешение с окружающим воздухом и его вовлечение в поток вблизи плоскости среза сопла.
2.3. Исследование ударно-волновой системы по шлирен-изображениям
Ударно-волновая система в струях, истекающих из кругового и треугольного сопел, представлена на рис. 7 для полного давления 360 кПА и на рис. 8 при 550 кПа в виде шлирен-изображений. Можно видеть, что при большем полном давлении волновая система более интенсивна, а сверхзвуковое ядро длиннее. Система скачков в треугольной струе заметно отличается от случая круговой струи. Из предыдущих работ [14] известно, что наличие острых углов у выходного сечения сопла приводит к усилению мелкомасштабной турбулентности в углах относительно гладкой части сечения. Далее, при числах Маха струи, типичных для данной работы, взаимодействие между волновой системой и сдвиговыми слоями интенсифицирует турбулентность в направлении от центра треугольника к вершине и способствует более сильному размыванию струи в направлении от центра к основанию. По шлирен-изображениям можно заключить, что более толстый сдвиговый слой, сходящий с вершины (рис. 7б и 8б), существенно влияет на ослабление ударно-волновой системы. На этих фигурах можно наблюдать слабую систему скачков вблизи верхней границы струи.
2.4. Распределение полного давления в поперечном направлении и размывание струи
На рис. 9 и 10 для двух значений давления торможения построены радиальные профили давления в круговой и треугольной струях в сечениях x/De = 0.1, 0.4, 5, 8 и 20. Измерения давления в радиальном направлении проводились с шагом 0.5 мм в каждом сечении. На графиках представлены изменения полного давления в поперечном направлении в зависимости от величины n, где n = y/De для круговой струи и n= rV/De либо rB/De для треугольной струи в направлении к вершине или основанию.
Рис. 9.
Поперечное распределение полного давления в круговой и треугольной струях при p0i = 360 кПа.

Рис. 10.
Поперечное распределение полного давления в круговой и треугольной струях при p0i = 550 кПа.

При давлении 360 кПа безразмерные длины сверхзвуковых ядер круговой и треугольной струй равны x/De= 7.1 и 4.5 соответственно. Поперечные распределения полного давления, включая направления к вершине и основанию для треугольной струи, приведены на рис. 9 для различных осевых положений, от области близ сопла до средней части струи. Начало оси n находится на центральной линии струи. Аналогичные распределения давления построены на рис. 10 при полном давлении 550 кПа. Для этого давления безразмерные длины сверхзвуковых ядер круговой и треугольной струй x/De = 9 и 6 соответственно (увеличение на 30% по сравнению со случаем 360 кПа для обеих струй).
Низкое полное давление вблизи центральной линии круговой струи (рис. 9а, б, в) показывает, что ударно-волновая система этой струи более интенсивна, чем для треугольной струи; такая ситуация имеет место до x/De = 1.0. Однако выше над центральной линией (n > 0.2) треугольной струи волновая структура становится более интенсивной, особенно в направлении к основанию. В целом интенсивность скачков в направлении к основанию больше, чем в направлении к вершине. Это следует из того факта, что измеренное полное давление в направлении к основанию ниже. Данный факт находится в соответствии с наблюдением, сделанным по шлирен-изображениям, о том что толстый сдвиговый слой, исходящий из угла при вершине, размывает находящуюся ниже по течению ударно-волновую структуру. Далее, бóльшая потеря полного давления также указывает на лучшее смешение в направлении к основанию. Итак, можно ожидать, что полное давление в направлении к вершине будет больше, чем в направлении к основанию, особенно в областях, близких к центру тяжести и вершине треугольника. Распределения полного давления при x/D = 5, построенные на рис. 9г, соответствуют дозвуковой области треугольной струи и сверхзвуковой области круговой струи. Таким образом, треугольная струя испытывает бóльшие потери полного давления, чем круговая струя, вплоть до x/D = 5, и значения полного давления в ней ниже, чем в круговой струе, как в направлении к вершине, так и к основанию. Распределения полного давления, представленные на рис. 9д, е, примерно одинаковы для всех трех случаев и указывают на существование в целом развитого течения при x/De ≥ 8 (для poi = 360 кПа).
При более высоком полном давлении (550 кПа) круговая струя при x/De = 0.1 и вблизи центральной линии испытывает, как показывает рис. 10а, бóльшие потери полного давления, чем треугольная струя. Однако при бóльших значениях x/De треугольная струя обладает меньшим полным давлением в направлении к основанию, чем в направлении к вершине, а также, чем круговая струя. Бóльшие потери полного направлении в направлении к основанию обусловлены более интенсивным смешением с окружающим воздухом, что приводит к большему размыванию струи, что можно видеть на рис. 10б, в, г. При любом заданном значении n полное давление в треугольной струе ниже в направлении к основанию, чем в направлении к вершине. Ударно-волновая структура вблизи границы треугольной струи, ниже по течению от ее вершины слабее, чем в случае круговой струи. Причиной опять-таки является толстый сдвиговый слой, исходящий из угла при вершине треугольника, распространяющийся вниз по потоку и взаимодействующий с приходящими скачками у границы струи.
Это взаимодействие у границы струи, очевидно, размывает ударно-волновую структуру в указанной области. Данные на рис. 10д, е также показывают, что при x/De ≥ 8 поперечные профили полного давления в треугольной струе симметричны в направлениях к вершине и основанию.
ЗАКЛЮЧЕНИЕ
На основании экспериментов, проведенных с круговой и треугольной перерасширенными струями при числах Рейнольдса 6.71 × 105 и 4.81 × 105, могут быть сделаны следующие выводы.
1. Кривые убывания полного давления по центральным линиям круговой и треугольной струй показывают, что осредненное по пространству полное давление и среднеквадратичные значения полного давления в области сверхзвукового ядра струи меньше в случае треугольной струи, чем для круговой струи. Это указывает на тот факт, что ударно-волновая структура в сверхзвуковом ядре треугольной струи несет меньшую энергию, чем в случае круговой струи.
2. При указанных выше числах Рейнольдса сверхзвуковое ядро треугольной струи короче, чем у круговой струи. Уменьшение составляет 34.25% при 6.71 × 105 (p0i = 550 кПа) и 31.11% при 4.81 × 105 (p0i = 360 кПа).
3. При указанных выше числах Рейнольдса система скачков в треугольной струе существенно отлична от соответствующей системы в круговой струе. Относительно толстый сдвиговый слой, исходящий из угла при вершине треугольника, перемещается вниз по потоку, перенося вдоль границы струи сильные вихри и размывая скачки, доходящие до границы струи в области сверхзвукового ядра.
4. Поперечные распределения полного давления в круговой и треугольной струях показывают, что степень размывания треугольной струи в направлении к основанию выходного сечения максимальна для трех рассмотренных случаев, а именно, радиального направления в круговой струе и направлений к вершине и основанию в треугольной струе. У границы треугольной струи система скачков более интенсивна в направлении к ее основанию, чем в направлении к ее вершине.
| Обозначения | |
| X, Y, Z | Декартовы координаты |
| A | Площадь сопла, мм2 |
| De | Диаметр выходного сечения кругового сопла, мм |
| M | Число Маха |
| poi | Начальное полное давление, кПа |
| Po | Измеренное полное давление, кПа |
| pa | Давление окружающей среды, кПа |
| Dh | Гидравлический диаметр, мм |
| d | Характеристическая диагональ, мм |
| Lc | Длина сверхзвукового ядра круговой струи, мм |
| Lt | Длина сверхзвукового ядра треугольной струи, мм |
| Cnc | Периметр выходного сечения некругового сопла, мм |
| Clip | Периметр обечайки сопла, мм |
| l | Длина эквивалентной диагонали, мм |
| Ce | Периметр выходного сечения кругового сопла, мм |
| ζ | Коэффициент формы |
| (po)avg | Осредненное по пространству, измеренное полное давление в сверхзвуком ядре, кПа |
| (po)rms | Среднеквадратичное значение полного давления, кПа |
| βrms | Среднеквадратичное значение градиента давления в сверхзвуковом ядре, кПа/мм |
Список литературы
Gutmark E., Schadow K.C., Wilson K.J. Noncircular jet dynamics in supersonic combustion // J. Propulsion Power. 1989. V. 5. № 5. P. 529–533.
Gutmark E.J., Grinstein F.F. Flow control with non-circular jets // Annu. Rev. Fluid Mech. 1999. V. 31. № 1. P. 239–272.
Aravindh Kumar S.M., Rathakrishnan E. Nozzle aspect ratio effect on supersonic elliptic jet mixing // J. Fluids Eng. 2017. V. 139. P. 101103-1.
Mohanta P.K., Sridhar B.T.N. // Study of decay characteristics of hexagonal and square supersonic jet // Int J. TurboJet Eng. 2016. V. 34. № 2. P. 115–122.
Mohanta P.K., Sridhar B.T.N. Study of decay characteristics of rectangular and elliptical supersonic jets //Thermal Science. 2017. V. 21. № 6B. P. 3025–3034.
Schadow K.C., Gutmark E.D.M., Parr D.M., Wilson K.J. Selective control of flow coherence in triangular jets. // Exp. Fluids. 1988. V. 6. № 2. P. 129–135.
Miller R.S., Madnia C.K., Givi P. Numerical simulation of non-circular jets // Computers Fluids. 1995. V. 24. № 1. P. 1–25.
Mi J., Nathan G.J., Luxton R.E. Centreline mixing characteristics of jets from nine differently shaped nozzles // Exp. Fluids. 2000. V. 28. № 1. P. 93–94.
Quinn W.R. Mean flow and turbulence measurements in a triangular turbulent free jet // Intern. J. Heat Fluid Flow. 1990. V. 11. № 3. P. 220–221.
Quinn W.R. Measurements in the near flowfield of an isosceles triangular turbulent free jet // Exp. Fluids. 2005. V. 39. № 1. P. 111–126.
Azad M., Quinn W.R., Groulx D. Mixing in turbulent free jets issuing from isosceles triangular orifice with different apex angles // Exp. Therm. Fluid Sci. 2012. V. 39. P. 237–251.
Won Hyun Kim, Tae Seon Park. Effects of noncircular inlet on the flow structures in turbulent jets // J. Appl. Math. Phys. 2013. V. 1. № 6. P. 37–42.
Quinn W.R., Azad M., Groulx D. Mean streamwise centerline velocity decay and entrainment in triangular jets // AIAA J. 2013. V. 51. № 1. P. 70–79.
Gutmark E., Schadow K.C., Wilson K. Subsonic and supersonic combustion using noncircular injectors // J. Propulsion Power. 1991. V. 7. № 2. P. 240–249.
Дополнительные материалы отсутствуют.
Инструменты
Известия РАН. Механика жидкости и газа






