Прикладная математика и механика, 2020, T. 84, № 5, стр. 625-639
Дифракция звука на шаре с неоднородным покрытием в плоском волноводе
С. А. Скобельцын 1, *, Л. А. Толоконников 1, **
1 Тульский государственный университет
Тула, Россия
* E-mail: skbl@rambler.ru
** E-mail: tolokonnikovla@mail.ru
Поступила в редакцию 23.05.2020
После доработки 23.06.2020
Принята к публикации 11.07.2020
Аннотация
Получено аналитическое решение задачи дифракции сферических звуковых волн на шаре с упругим радиально-неоднородным покрытием в плоском волноводе. Представлены результаты расчетов акустического поля в волноводе. Проведено сравнение результатов расчета с результатами моделирования дифракции в волноводе в системе компьютерного моделирования физических процессов COMSOL на основе метода конечных элементов.
Введение. Для обеспечения требуемых звукоотражающих свойств тела можно использовать неоднородное упругое покрытие при соответствующем подборе законов неоднородности для его механических параметров. В частности это было показано для упругого тела сферической формы [1], где на основе полученного [2] решения прямой задачи дифракции плоской звуковой волны на упругом шаре с непрерывно-неоднородным покрытием, найдены функциональные зависимости для плотности и модулей упругости материала покрытия, обеспечивающие наименьшее отражение звука в определенном угловом секторе и в заданном диапазоне частот. Была показана [3] возможность математического моделирования непрерывно-неоднородного покрытия упругого шара системой однородных упругих слоев. Решены задачи [4, 5] дифракции цилиндрических и сферических звуковых волн на упругом шаре с непрерывно-неоднородным упругим покрытием в предположении, что тела находятся в безграничном пространстве.
Исследованию рассеяния звука телами, помещенными в плоский волновод, посвящен ряд работ. Изучено [6] рассеяние звуковых волн, излучаемых точечным источником, упругой сферической оболочкой в однородном волноводе с абсолютно жестким дном и акустически мягкой верхней границей. Решена [7] задача дифракции сферической волны на жесткой сфере в волноводе с жидким дном и мягкой верхней границей. Исследовано [8] акустическое рассеяние на упругой сферической оболочке, помещенной в волновод с жидким поглощающим дном и акустически мягкой верхней границей. Проведено моделирование акустического поля, рассеянного акустически жесткой или мягкой сферой, помещенной в однородный волновод с жидкими границами [9]. Исследована дифракция звука [10], излучаемого точечным источником, на жесткой сфере, находящейся в однородном слое жидкости, граничащем со слоем, скорость звука в котором возрастает с глубиной. Рассмотрено [11–14] рассеяние звуковых волн на теле произвольной формы в плоскослоистом волноводе с учетом многократных переотражений.
В настоящей работе решается задача дифракции сферических звуковых волн на жестком шаре с радиально-неоднородным упругим покрытием в плоском волноводе.
1. Постановка задачи. Рассмотрим абсолютно жесткий шар радиуса ${{r}_{1}}$ с покрытием в виде непрерывно-неоднородного упругого сферического слоя, внешний радиус которого равен ${{r}_{2}}$. Толщина слоя – $h = {{r}_{2}} - {{r}_{1}}$. Шар помещен в плоский волновод, заполненный идеальной жидкостью с плотностью ${{\rho }_{1}}$ и скоростью звука $c$. Полагаем, что каждая граница волновода является либо абсолютно жесткой, либо акустически мягкой.
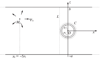
Введем прямоугольную декартову систему координат $x,\;y,\;z$ с началом в центре шара. Схема волноводной системы изображена на рис. 1. В системе координат $x,\;y,\;z$ нижняя граница волновода определяется уравнением $z = - a$, верхняя граница – уравнением $z = b$. С прямоугольной системой координат свяжем сферическую и цилиндрическую системы координат $r$, $\theta $, $\varphi $ и $R$, $\varphi $, $z$.
Полагаем, что плотность материала покрытия $\rho $ является непрерывной функцией радиальной координаты $r$, а модули упругости материала покрытия $\lambda $ и $\mu $ – дифференцируемыми функциями координаты $r$.
В волноводе находится точечный источник, излучающий сферическую монохроматическую волну с круговой частотой $\omega $ и амплитудой $A$. Положение источника определяется точкой ${{M}_{0}}$, имеющей декартовы, сферические и цилиндрические координаты $\left( {{{x}_{0}},0,{{z}_{0}}} \right)$, $\left( {{{r}_{0}},{{\theta }_{0}},{{\varphi }_{0}}} \right)$ и $({{R}_{0}},\;{{\varphi }_{0}}\,,{{z}_{0}})$. При этом ${{\varphi }_{0}} = 0$, если ${{x}_{0}} > 0$ и ${{\varphi }_{0}} = \,\pi $, если ${{x}_{0}} < 0$. Точка наблюдения $M$ имеет координаты $\left( {x,y,z} \right)$, $\left( {r,\theta ,\varphi } \right)$ и $\left( {R,\varphi ,z} \right)$.
Определим акустическое поле в волноводе.
2. Дифракция сферической звуковой волны на шаре с неоднородным покрытием в свободном пространстве. Вначале рассмотрим задачу о дифракции сферической звуковой волны на жестком шаре с радиально-неоднородным покрытием, находящемся в безграничном пространстве.
Потенциал скорости сферической волны в свободном пространстве представляется в виде
Представим потенциал скорости падающей волны в сферических координатах в виде разложения [15]
Распространение малых возмущений в идеальной жидкости в случае установившихся колебаний описывается уравнением Гельмгольца [16]
где $\Psi = {{\Psi }_{0}} + {{\Psi }_{s}}$ – потенциал скорости полного акустического поля во внешней области, ${{\Psi }_{s}}$ – потенциал скорости рассеянной волны. При этом скорость частиц ${\mathbf{v}}$ и акустическое давление $p$ в жидкости определяются по формулам ${\mathbf{v}} = \operatorname{grad} \Psi $, $p = i\rho \omega \Psi $.Учитывая условия излучения на бесконечности [16], потенциал скорости рассеянной волны будем искать в виде
(2.1)
${{\Psi }_{s}}(r,\theta ) = \sum\limits_{n = 0}^\infty {\sum\limits_{m = 0}^n {{{A}_{{mn}}}{{h}_{n}}(kr)P_{n}^{m}(\cos \theta )\cos (\varphi - {{\varphi }_{0}})} } ,$Распространение упругих волн в неоднородном покрытии шара описывается общими уравнениями движения упругой среды [17], которые для установившегося режима движения в сферической системе координат имеют вид
(2.2)
$\frac{{\partial {{\sigma }_{{r\theta }}}}}{{\partial r}} + \frac{1}{r}\frac{{\partial {{\sigma }_{{\theta \theta }}}}}{{\partial \theta }} + \frac{1}{{rsin\theta }}\frac{{\partial {{\sigma }_{{\theta \varphi }}}}}{{\partial \varphi }} + \frac{1}{r}[({{\sigma }_{{\theta \theta }}} - \sigma {}_{{\varphi \varphi }}){\text{ctg}}\,\theta + 3\sigma {}_{{r\theta }}] = - \rho (r){{\omega }^{2}}{{u}_{\theta }}$Введем функции ${{u}_{2}}$ и ${{u}_{3}}$ с помощью соотношений
(2.3)
$\frac{1}{r}\left[ {(\lambda + \mu )\frac{\partial }{{\partial r}} + \mu {\kern 1pt} '\; + \frac{{2(\lambda + 2\mu )}}{r}} \right]L[{{u}_{r}}] + $Штрихами обозначено дифференцирование по радиальной координате $r$.
Функции ${{u}_{r}}$, ${{u}_{2}}$, ${{u}_{3}}$ будем искать в виде
(2.4)
${{u}_{2}} = \sum\limits_{n = 0}^\infty \,\sum\limits_{m = 0}^n \,{{U}_{{2mn}}}(r)P_{n}^{m}(cos\theta )cosm(\varphi - {{\varphi }_{0}})$Вид зависимостей от $\varphi $ в этих разложениях определяется соображениями симметрии вектора смещения ${\mathbf{u}}$ относительно плоскости $\varphi = {{\varphi }_{0}}$, ${{\varphi }_{0}} + \pi $.
Подставим разложения (2.4) в уравнения системы (2.3). Воспользовавшись уравнением для присоединенных многочленов Лежандра и свойством ортогональности сферических гармоник [18], получим для каждой пары индексов m, n $(n = 0,1, \ldots $; $m \leqslant n)$ систему линейных однородных обыкновенных дифференциальных уравнений второго порядка относительно неизвестных функций ${{U}_{{jmn}}}(r)$ $(j = 1,2,3)$
(2.5)
$\mu U_{{2mn}}^{{''}} + {{b}_{{21}}}U_{{1mn}}^{'} + {{b}_{{22}}}U_{{2mn}}^{'} + {{c}_{{21}}}{{U}_{{1mn}}} + {{c}_{{22}}}{{U}_{{2mn}}} = 0$Искомые функции ${{\Psi }_{s}}$, ${{u}_{r}}$, $u{}_{2}$ и ${{u}_{3}}$ должны удовлетворять граничным условиям. Граничные условия на внешней поверхности неоднородного покрытия шара (при $r = {{r}_{2}}$) заключаются в равенстве нормальных скоростей частиц упругой неоднородной среды и жидкости, равенстве на ней нормального напряжения и акустического давления, отсутствии касательных напряжений
Из условия равенства нормальных скоростей при $r = {{r}_{2}}$ находим коэффициенты ${{A}_{{mn}}}$, выраженные через величины ${{U}_{{1mn}}}({{r}_{1}})$
Из оставшихся неиспользованными граничных условий с применением преобразований, аналогичных [4], получим шесть краевых условий, которым должно удовлетворять решение системы дифференциальных уравнений (2.5).
(2.6)
$\begin{gathered} U_{{2mn}}^{'}({{r}_{2}}) + \frac{1}{{{{r}_{2}}}}[{{U}_{{1mn}}}({{r}_{2}}) - U{}_{{2mn}}({{r}_{2}})] = 0 \\ U_{{3mn}}^{'}({{r}_{2}}) + \frac{1}{{{{r}_{2}}}}{{U}_{{3mn}}}({{r}_{2}}) = 0 \\ \end{gathered} $Анализ краевой задачи (2.5), (2.6) показывает, что функция ${{U}_{{3mn}}}(r)$ не связана с функциями ${{U}_{{1mn}}}(r)$ и ${{U}_{{2mn}}}(r)$ не только в уравнениях системы (2.5), но и в краевых условиях (2.6). Так как дифференциальное уравнение и краевое условие для нахождения функции ${{U}_{{3mn}}}(r)$ однородны, то можно утверждать, что ${{U}_{{3mn}}}(r) \equiv 0$. Поэтому ${{u}_{3}}(r,\theta ,\varphi ) \equiv 0$.
Все коэффициенты системы (2.5) и краевых условий (2.6) не зависят от индекса $m$. Индекс $m$ присутствует только в правой части первого краевого условия (2.6), причем он входит в виде множителя ${{\gamma }_{{mn}}}$.
Введем новые неизвестные функции ${{U}_{{1n}}}(r)$ и ${{U}_{{2n}}}(r)$ по формулам
Тогда для нахождения функций ${{U}_{{1n}}}(r)$ и ${{U}_{{2n}}}(r)$ при каждом значении $n = 0,\,1,\,2,\,...$ следует решить краевую задачу для системы двух обыкновенных дифференциальных уравнений второго порядка на отрезке $[{{r}_{1}},\,\,{{r}_{2}}]$. При этом следует исключить множитель ${{\gamma }_{{mn}}}$ из правой части первого краевого условия.
При проведении расчетов краевая задача (2.5), (2.6) решена методом сведения ее к задачам с начальными условиями [2].
После определения ${{U}_{{1mn}}}({{r}_{2}})$ вычисляем коэффициенты ${{A}_{{mn}}}$, и получаем согласно (2.2) аналитическое описание акустического поля, рассеянного шаром с радиально-неоднородным упругим покрытием в свободном пространстве.
3. Дифракция сферической звуковой волны на шаре с неоднородным покрытием в плоском волноводе. Теперь рассмотрим задачу дифракции сферических звуковых волн на жестком шаре с радиально-неоднородным упругим покрытием в плоском волноводе с идеальными границами, воспользовавшись методом, предложенным в [12].
Согласно методу потенциал скорости полного акустического поля в волноводе $\Psi $ будем искать в виде суммы вклада от источника ${{\Psi }^{0}}$ и вклада от рассеивателя ${{\Psi }^{s}}$: $\Psi = {{\Psi }^{0}} + {{\Psi }^{s}}$, где
(3.1)
${{\Psi }^{0}} = \sum\limits_{j = 0}^\infty {\sum\limits_{m = 1}^4 {\Psi _{{jm}}^{0}} } ,\quad {{\Psi }^{s}} = \sum\limits_{j = 0}^\infty {\sum\limits_{m = 1}^4 {\Psi _{{jm}}^{s}} } $Оценим вклад от источника в акустическое поле, рассматривая слагаемые в первом выражении (3.1).
Слагаемое $\Psi _{{01}}^{0} = {{\Psi }_{0}}$ характеризует вклад в акустическое поле при прямом распространении сферической волны в свободном пространстве от точки источника ${{M}_{0}}$ до точки наблюдения $M$.
Воспользуемся интегральным представлением сферической волны [12]
(3.2)
${{\Psi }_{0}} = A\frac{{{{e}^{{ikl}}}}}{l} = Ai\int\limits_0^\infty {\frac{\xi }{\eta }{{J}_{0}}(\xi \left| {{\mathbf{R}} - {{{\mathbf{R}}}_{0}}} \right|){{e}^{{i\eta \,\left| {z - {{z}_{0}}} \right|}}}d\xi } ,\quad \eta = {{\left( {{{k}^{2}} - {{\xi }^{2}}} \right)}^{{{1 \mathord{\left/ {\vphantom {1 2}} \right. \kern-0em} 2}}}},$Выполнение условия $\operatorname{Im} \eta \geqslant 0$ обеспечивает ограниченность ${{\Psi }_{0}}$. Таким образом, когда $\xi > k$ следует выбрать $\eta = i{{\left( {{{\xi }^{2}} - {{k}^{2}}} \right)}^{{{1 \mathord{\left/ {\vphantom {1 2}} \right. \kern-0em} 2}}}}$.
Пусть точка наблюдения $M$ имеет координаты $\left( {x,0,z} \right)$, $\left( {r,\theta ,\varphi } \right)$ и $\left( {R,\varphi ,z} \right)$, где $\varphi $ принимает значение 0 или π. Тогда $\left| {{\mathbf{R}} - {{{\mathbf{R}}}_{0}}} \right| = \left| {x - {{x}_{0}}} \right|$.
Отраженная от границ волновода сферическая волна может быть представлена в виде суперпозиции плоских волн, возникающих при отражении плоских волн, на которые раскладывается сферическая волна. При оценке вклада источника в акустическое поле будем учитывать многократное отражение плоских волн от границ волновода.
Пусть коэффициенты отражения плоской волны от нижней границы волновода и верхней границы равны ${{V}_{a}}$ и ${{V}_{b}}$ соответственно.
Сначала рассмотрим случай $z > {{z}_{0}}$. Слагаемое $\Psi _{{02}}^{0}$ учитывает единственное отражение от нижней границы волновода, что соответствует распространению волны от точки ${{M}_{0}}$ до точки нижней границы с последующим отражением и распространением до точки наблюдения $M$. При этом проекции пути, проходимой плоской волной, по осям координат $x$ и $z$ равны ($x - {{x}_{0}}$) и $ - ( - a - {{z}_{0}}) + (z + a)$ соответственно. Будем иметь
Слагаемое $\Psi _{{03}}^{0}$ описывает единственное отражение от верхней границы волновода, что соответствует распространению волны от точки ${{M}_{0}}$ до верхней границы с отражением от нее и распространением до точки $M$. Тогда
Для волны, распространяющейся по пути от точки ${{M}_{0}}$ до нижней границы, затем после отражения до верхней границы и, наконец, после повторного отражения до точки $M$, получаем следующее выражение
Вариант, когда волна сначала отражается от верхней границы, а затем от нижней, при $j = 0$ не рассматривается, так как этот вариант будет учитываться при $j = 1$ и $m = 1$.
При $j = 1,\,2, \ldots $ каждое слагаемое $\Psi _{{jm}}^{0}$ ($m = 1,2,3,4$) учитывает два дополнительных отражения от верхней и нижней границ волновода. Поэтому выражения для $\Psi _{{jm}}^{0}$ получаются из выражений для $\Psi _{{j - 1,m}}^{0}$ умножением на коэффициент ${{V}_{a}}{{V}_{b}}{{e}^{{2i\eta \,(a + b)}}}$, т.к. дополнительный набег фазы составляет $2i\eta \left( {a + b} \right)$.
В результате после суммирования слагаемых $\Psi _{{jm}}^{0}$ выражение для ${{\Psi }^{0}}$ принимает вид геометрической прогрессии. Полагая, что ${\text{|}}{{V}_{a}}{{V}_{b}}{\text{|}} < 1$ и суммируя прогрессию, получаем
(3.3)
$\begin{gathered} {{\Psi }^{0}} = Ai\int\limits_0^\infty {\frac{\xi }{\eta }{{J}_{0}}(\xi \left| {x - {{x}_{0}}} \right|)\frac{1}{{1 - {{V}_{a}}{{V}_{b}}{{e}^{{2i\eta (a + b)}}}}} \times } \\ \times \;\left( {{{e}^{{i\eta (z - {{z}_{0}})}}} + {{V}_{a}}{{e}^{{i\eta (z + {{z}_{0}} + 2a)}}} + {{V}_{b}}{{e}^{{ - i\eta (z + {{z}_{0}} - 2b)}}} + {{V}_{a}}{{V}_{b}}{{e}^{{ - i\eta \left( {(z - {{z}_{0}} - 2(a + b)} \right)}}}} \right)d\xi \\ \end{gathered} $Будем считать, что условие ${\text{|}}{{V}_{a}}{{V}_{b}}{\text{|}} < 1$ выполняется даже в случае идеальных границ (для жесткой границы $V = 1$, а для мягкой $V = - 1$), так как всегда имеет место хотя бы малое отличие ${\text{|}}{{V}_{a}}{\text{|}}$ или ${\text{|}}{{V}_{b}}{\text{|}}$ от единицы.
В случае $z < {{z}_{0}}$ выражение для вклада от источника получаем из (3.3) перестановкой $z$ и ${{z}_{0}}$.
Рассмотрим вклад в акустическое поле от рассеивателя. Слагаемое $\Psi _{{01}}^{s}$ в выражении (3.2) для ${{\Psi }^{s}}$ описывает вклад прямого распространения рассеянной телом волны в свободном пространстве до точки наблюдения $M$, то есть $\Psi _{{01}}^{s} = {{\Psi }_{s}}$, где ${{\Psi }_{s}}$ определяется выражением (2.1).
Воспользуемся интегральным представлением сферических базисных решений уравнения Гельмгольца через цилиндрические базисные решения [20]
(3.4)
${{h}_{n}}(kr)P_{n}^{m}(\cos \,\theta ){{e}^{{im\varphi }}} = {\text{ }}\frac{{{{\alpha }_{{mn}}}}}{k}{{i}^{{m - n}}}\int\limits_0^\infty {\frac{\xi }{\eta }P_{n}^{m}\left( {\frac{\eta }{k}} \right){{J}_{m}}(\xi R)} \,{{e}^{{i\eta \left| z \right|}}}{{e}^{{im\varphi }}}d\xi ,$Тогда с учетом (3.4) для точек наблюдения, лежащих за пределами сферы радиуса ${{r}_{2}}$, $\Psi _{{01}}^{s}$ запишется в виде
Волна ${{\Psi }_{s}}$, отраженная от плоской границы, может быть представлена в виде суперпозиции плоских волн, возникающих при отражении плоских волн, на которые раскладывается рассеянная шаром волна.
Рассматривая те же варианты отражения, что и при определении вклада от источника, получим выражения для слагаемых $\Psi _{{jm}}^{s}$. В результате суммирования выражение для ${{\Psi }^{s}}$ принимает вид
(3.5)
$\begin{gathered} {{\Psi }^{S}} = {\text{ }}{{k}^{{ - 1}}}\sum\limits_{n = 0}^\infty {\sum\limits_{m = 0}^n {{{A}_{{mn}}}{{\alpha }_{{mn}}}{{i}^{{m - n}}}\cos m(\varphi - {{\varphi }_{0}})\int\limits_0^\infty {\frac{\xi }{\eta }P_{n}^{m}\left( {\frac{\eta }{k}} \right){{J}_{m}}(\xi \left| x \right|)} {{e}^{{i\eta \left| z \right|}}} \times } } \\ \times \;\frac{1}{{1 - {{V}_{a}}{{V}_{b}}{{e}^{{2i\eta (a + b)}}}}}\left( {{{e}^{{i\eta \left| z \right|}}} + {{V}_{a}}{{e}^{{i\eta (z + 2a)}}} + {{V}_{b}}{{e}^{{ - i\eta (z - 2b)}}} + {{V}_{a}}{{V}_{b}}{{e}^{{ - i\eta \,\left( {\left| z \right| - 2(a + b)} \right)}}}} \right)d\xi \\ \end{gathered} $Отметим, что при рассмотрении вклада в акустическое поле от рассеивателя пренебрегаем рассеянием телом волн, отраженных от границ волновода, а учитываем только рассеяние шаром волны, идущей непосредственно от источника.
4. Результаты расчетов. На основе полученного аналитического решения задачи были проведены численные расчеты акустического поля в волноводе. Рассматривалась волноводная система с геометрическими параметрами: $a + b = 8{{r}_{2}}$, $h{\text{/}}{{r}_{1}} = 0.2$. Положение источника фиксировалось в сечении ${{x}_{0}} = - 5{{r}_{2}}$. Полагалось, что частота излучения источника $\omega $ соответствует волновому размеру тела $k{{r}_{2}} = 5$, а плотность и скорость звука в акустической среде, заполняющей волновод, равны ${{\rho }_{1}} = 1000$ кг/м3, $c = 1485$ м/с (вода).
Плотность и модули упругости покрытия шара задавались соотношениями
(4.1)
$\rho = {{\rho }_{0}}f(r;\alpha ),\quad \lambda = {{\lambda }_{0}}f(r;\beta ),\quad \mu = {{\mu }_{0}}f(r;\beta ),$Акустическое поле рассчитывалось на двух множествах точек: $L$ и $C$. Оба множества находятся в окрестности шара в плоскости $y = 0$, содержащей точки источника ${{M}_{0}}$ и центра шара $O$. Множество $L$ – отрезок с координатами $x = - {{r}_{2}} - h$, $y = 0$, $ - a \leqslant z \leqslant b$. Множество $C$ – окружность с центром в точке $O$ и радиусом $r = {{r}_{2}} + h$. Таким образом, отрезок $L$ и окружность $C$ отстоят от поверхности шара на толщину покрытия $h$. Иллюстрация положения источника ${{M}_{0}}$ и размещения точек расчета давления представлена на рис. 2. Множества точек $L$ и $C$ представлены тонкими штриховыми линиями.
Для точек множества $C$ рассчитывалась зависимость ${\text{|}}\Psi _{s}^{'}{\text{|}}$ от координаты $\theta $, а для точек множества $L$ рассчитывалась зависимость ${\text{|}}\Psi {\kern 1pt} '{\text{|}}$ от безразмерной координаты $z{\kern 1pt} ' = z{\text{/}}{{r}_{2}}$, где величины ${\text{|}}\Psi _{s}^{'}{\text{|}}$ и ${\text{|}}\Psi {\kern 1pt} '{\text{|}}$ получены нормировкой соответствующих величин ${\text{|}}{{\Psi }_{s}}{\text{|}}$ и ${\text{|}}\Psi {\text{|}}$ значением амплитуды потенциала источника ${{\Psi }_{0}}$ в точке $O$.
При вычислении несобственных интегралов (3.3), (3.5) бесконечный верхний предел заменялся конечным ${{\xi }_{\infty }}$ таким, чтобы для всех значений координаты $x$, используемых в расчетах, выполнялось условие ${{\xi }_{\infty }}{\text{|}}x - {{x}_{0}}{\text{|}} \geqslant 1000$.
На рис. 3 и 4 представлены зависимости ${\text{|}}\Psi {\kern 1pt} '(z{\kern 1pt} '){\text{|}}$ и ${\text{|}}\Psi _{s}^{'}(\theta ){\text{|}}$ для случая, когда обе поверхности волновода – акустически мягкие (${{V}_{a}} = {{V}_{b}} = - 0.99$), $b = a = 4{{r}_{2}}$, ${{z}_{0}} = 0$. Штриховые линии соответствуют однородному покрытию ($\beta = \alpha = 0$), а сплошные – покрытию с неоднородными модулями упругости ($\alpha = 0$, $\beta = 1$). Окружность, изображенная тонкой линией на рис. 4, соответствует значению ${\text{|}}{{\Psi }_{0}}(O){\text{|}}$.
Графики показывают, что неоднородность покрытия изменяет величину акустического давления в окрестности шара на 10–20%.
Результаты расчета ${\text{|}}\Psi {\kern 1pt} '{\text{|}}$, ${\text{|}}\Psi _{s}^{'}{\text{|}}$ показаны на рис. 5 и 6 для аналогичных условий, отличающихся только величиной $\beta $, которая в этом случае равна –1 (величина модулей упругости в покрытии убывает с ростом $r$); на рис. 7 и 8 – результаты расчета потенциалов акустического поля для случая, когда источник смещен к верхней поверхности волновода (${{z}_{0}} = {{r}_{2}}$) при неоднородности материала покрытия, задаваемой параметрами $\alpha = 0$, $\beta = 1$.
Видно, что смещение источника приводит к заметной асимметрии в распределении давления. Неоднородность материала покрытия и в этом случае изменяет давление в окрестности шара до 40% по сравнению со случаем однородного покрытия.
Было проведено сравнение результатов расчета на основе приближенного аналитического решения задачи с результатами моделирования дифракции в волноводе в системе компьютерного моделирования физических процессов COMSOL [21] на основе метода конечных элементов. Использовалась конечно-элементная модель участка волновода, включающего источник, препятствие и области в их окрестности с горизонтальным размером, равным удвоенному расстоянию между ними. Условия излучения на боковых поверхностях участка обеспечивались так называемым идеально согласованным слоем (PML) [22]. Характерный размер тетраэдральных конечных элементов полагался равным $0.1\lambda $, где $\lambda $ – длина звуковой волны в жидкости, заполняющей волновод.
Результаты расчета давления в рассеянной волне для случая однородного покрытия, представленные на рис. 3 и 4 (сплошные линии), сопоставляются на рис. 9 и 10 с соответствующими зависимостями, полученными в COMSOL (штриховые линии).
Анализ полученных результатов показывает, что при рассматриваемых геометрических параметрах волновода и свойствах источника и препятствия различие в значениях потенциалов акустического поля, полученных по построенному в работе приближенному аналитическому решению и определенному по конечно-элементной модели, составляет 5–7%.
Полученное приближенное аналитическое решение задачи справедливо тогда, когда параметры $a$, $b$ существенно превышают радиус шара ${{r}_{2}}$. Проведенные исследования показали, что, например, при частоте источника, соответствующей волновому размеру шара $k{{r}_{2}} \leqslant 5$, наблюдается хорошее совпадение аналитического решения с результатами моделирования, когда параметры $a$, $b$ превышают радиус шара ${{r}_{2}}$ в 4 и более раз.
Исследование выполнено за счет гранта Российского научного фонда (проект 18-11-00199).
Список литературы
Толоконников Л.А., Ларин Н.В., Скобельцын С.А. Моделирование неоднородного покрытия упругого шара с требуемыми звукоотражающими свойствами // Матем. модел. 2017. Т. 29. № 11. С. 89–98.
Толоконников Л.А. Рассеяние плоской звуковой волны упругим шаром с неоднородным покрытием // ПММ. 2014. Т. 78. Вып. 4. С. 519–526.
Толоконников Л.А. Моделирование непрерывно-неоднородного покрытия упругого шара системой однородных упругих слоев в задаче рассеяния звука // ПММ. 2017. Т. 81. Вып. 6. С. 699–707.
Толоконников Л.А. Дифракция цилиндрических звуковых волн на упругой сфере с неоднородным покрытием // ПММ. 2015. Т. 79. Вып. 5. С. 663–673.
Толоконников Л.А., Родионова Г.А. Дифракция сферической звуковой волны на упругом шаре с неоднородным покрытием // Изв. ТулГУ. Естеств. науки. 2014. Вып. 3. С. 131–137.
Sammelman G.S., Hackman R.H. Acoustic scattering in a homogeneous waveguide // J. Acoust. Soc. Amer. 1987. V. 82. № 1. P. 324–336.
Ingenito F. Scattering from an object in a stratified medium // J. Acoust. Soc. Amer. 1987. V. 82 № 6. P. 2051–2059.
Григорьева Н.С., Фридман Г.М. Рассеяние звука сферической оболочкой, помещенной в волновод с жидким дном // Акуст. ж. 2013. Т. 59. № 4. С. 424–432.
Григорьева Н.С., Михайлова Д.А., Островский Д.Б. Эхосигнал от рассеивателя, находящегося в покрытом льдом волноводе // Акуст. ж. 2015. Т. 61. № 2. С. 143–151.
Григорьева Н.С., Кадыров С.Г., Куприянов М.С. Дифракция звуковых импульсов на сфере в плоскослоистом волноводе с градиентным слоем // Акуст. ж. 2018. Т. 64. № 3. С. 275–282.
Hackman R.H., Sammelman G.S. Acoustic scattering in an inhomogeneous waveguide: Theory // J. Acoust. Soc. Amer. 1986. V. 80. № 5. P. 1447–1458.
Hackman R.H., Sammelman G.S. Multiple-scattering analysis for a target in oceanic waveguide // J. Acoust. Soc. Amer. 1988. V. 84. № 5. P. 1813–1825.
Кузькин В.М. Рассеяние звуковых волн на теле в плоскослоистом волноводе // Акуст. ж. 2003. Т. 49. № 1. С. 77–84.
Шарфарец Б.П. Метод расчета поля излучателя и поля рассеяния неоднородного включения в плоскослоистых волноводах // Акуст. ж. 2004. Т. 50. № 1. С. 123–128.
Иванов Е.А. Дифракция электромагнитных волн на двух телах. Минск: Наука и техника, 1968. 584 с.
Шендеров Е.Л. Волновые задачи гидроакустики. Л.: Судостроение, 1972. 352 с.
Новацкий В. Теория упругости. М.: Мир, 1975. 872 с.
Лебедев Н.Н. Специальные функции и их приложения. М.: Физматгиз, 1963. 358 с.
Бреховских Л.М., Годин О.А. Акустика слоистых сред. М.: Наука, 1989. 416 с.
Ерофеенко В.Т. Решение одной краевой задачи для уравнения Гельмгольца в слоистом пространстве с шаровым включением // Дифф. ур. 1978. Т. 14. № 8. С. 1439–1447.
Pryor R.W. Multiphysics Modeling Using COMSOL: A First Principles Approach. Burlington: Jones & Bartlett Publishers, 2009. 852 p.
Ihlenburg F. Finite element analysis of acoustic scattering. New York: Springer, 2013. 226 p.
Дополнительные материалы отсутствуют.
Инструменты
Прикладная математика и механика












