Физика Земли, 2021, № 4, стр. 61-77
Электропроводность и распределение флюида в Корякско-Камчатском регионе
В. В. Белявский *
Центр геоэлектромагнитных исследований, филиал ИФЗ им. О.Ю. Шмидта РАН (ЦГЭМИ ИФЗ РАН)
г. Троицк, г. Москва, Россия
* E-mail: victor.belyavsky@list.ru
Поступила в редакцию 13.07.2020
После доработки 12.01.2021
Принята к публикации 29.01.2021
Аннотация
Проведенная трехмерная интерпретация магнитотеллурических данных в Корякско-Камчатском регионе, в режиме интерактивного подбора 3D-модельных кривых магнитотеллурического зондирования и магнитовариационных матриц к их экспериментальным аналогам, позволила составить геоэлектрические разрезы верхней части литосферы. На этой основе оценено содержание водной фракции флюида и расплава в коре и верхней мантии рассматриваемого региона. Величина флюидонасыщения определялась с учетом роста с глубиной температуры и давления, при насыщении горных пород водой, минерализованной солями хлорида натрия с концентрациями 100 или 170 г/л. Выбор степени минерализации флюида осуществлялся с учетом распределения скоростей продольных волн в методах глубинного сейсмического зондирования и томографии. Оценка содержания водной фракции флюида и мантийных расплавов выполнялась по упрощенной формуле Шенкленда–Ваффа (модифицированный закон Арчи). Максимальным содержанием флюида и расплава характеризуются блоки литосферы, расположенные в наиболее активизированных в сейсмическом и вулканическом отношениях структурах и в пределах пересекающих их региональных разломов. Положение блоков с повышенным содержанием расплава и флюида коррелирует с доменами, характеризующимися пониженными скоростями продольных волн.
ВВЕДЕНИЕ
В пределах Корякско-Камчатского региона за последние тридцать лет произошли: катастрофические землетрясения Корякское (1988 г., М > 5.4), Хаилинское (1991 г., М > 6.6), Олюторское (2006 г., M > 7.6), Ильпырское (2013 г., M > 5.8); извержения вулканов Шивелучского, Жупановского, Авачинского, Ключевского, Начикинского и ряда других, которые побудили череду землетрясений меньшей интенсивности. Восточной части Камчатского полуострова свойственна повышенная вулканическая деятельность и сейсмичность с магнитудой M > 5. Также предполагается решающее значение промежуточных камер на глубине 50–80 и около 30 км и дополнительная роль малоглубинных камер (10–15 и 2–5 км) как этапов подготовки к главным извержениям” [Добрецов и др., 2017]. Все эти факторы стимулировали проведение полевых геофизических исследований и переинтерпретацию ранее полученных магнитотеллурических и магнитовариационных данных (МТЗ-МВЗ), по технологиям объемного трехмерного математического моделирования электромагнитных полей.
Решение обратных задач магнитотеллурики на первом этапе выполнялось с помощью программ одномерной [Белявский, 2011] или двумерной [Варенцов, 2002] инверсий инвариантных кривых магнитотеллурического зондирования [Counil et al., 1986]. На втором этапе применялся метод интерактивного подбора к наблюденным МТ данным 3D-модельных, рассчитанных по программам Maxwellf [Druskin, Knizhnerman, 1994] и адаптированных к ним инвариантных кривых МТЗ [Белявский, 2011]. Построенные на первом этапе геоэлектрические модели рассматривались как стартовые.
Трехмерная интерпретация магнитотеллурических данных (рис. 1), полученных в Корякско-Камчатском регионе с 2003–2010 гг. (Белявский и др.11; Нурмухамедов и др.22), учитывала геоэлектрические 2D-3D-модели, представленные в работах [Нурмухамедов, 2010; Мороз и др., 2001; Гонтовая и др., 1993; Мороз, 1991]. Это позволило построить 3D-модели распределения удельного электрического сопротивления – ρm(Хm, Ym, Zm) в пределах Камчатского полуострова и южной Корякии [Белявский и др., 2008; Белявский, Николаев, 2011; Белявский, Алексанова, 2015; Белявский, Яковлев 2016; 2020], по которым оценивалось распределение водной фракции флюида и расплава в литосфере рассматриваемого региона. Особое внимание уделялось очаговым зонам землетрясений и вулканической деятельности.
Рис. 1.
Расположение в Корякско-Камчатском регионе профилей МТЗ: 1 – А–А, Б–Б, В–В, Г–Г, Д–Д, Е–Е, Ж–Ж, З–З, групп МТЗ (III, IV, VI, X, XI, XII, XIII); 2 – И–И, Верхнее Пенжино–Пенжинская губа (МТЗ 1–252) – Корф (МТЗ 1–250), р. Вывенка V – р. Пахача (МТЗ 1–54); МТЗ 1–85, МТЗ 86–287, МТЗ 288–354–562; 3 – а – вулканы, б – эпицентры катастрофических землетрясений (ОЛ – Олюторское, Хл – Хаилинское, Кр – Корякское, Ил – Ильпырское); температура на глубине расположения: 4 – проводящего блока; 5 – поверхности Мохо [Моисеенко, Смыслов, 1986]. На врезке – схема глубин до границы Мохо1 (курсив) и с учетом данных МОВЗ1,2 (широкий шрифт).

В основу геолого-тектонической схемы, используемой при составлении стартовых и результирующих геоэлектрических моделей, принимались структурные построения работ1, 2 и статей [Апрелков и др., 1991; 1997; Мишин и др., 2003; Шарапова и др., 1984]. Оценка распределения водной фракции флюида в коре и мантии региона выполнена с учетом лабораторных данных, оценивающих электрическую проводимость насыщенных минерализованною водою кварцитов [Shimojuku et al., 2014] и расплавов при плавлении перидотитов и базальтов [Pommier, Garnerol, 2013]. Знание величины насыщения флюидом или расплавом позволяет оценивать и контролировать проницаемость литосферных блоков в зонах повышенной сейсмической и вулканической деятельности, проводить сейсмотектоническое районирование и выделять зоны, перспективные на рудную минерализацию [Файф, 1981].
1. МЕТОДИКА ИНТЕРПРЕТАЦИИ МАГНИТОТЕЛЛУРИЧЕСКИХ ДАННЫХ
Интерпретация МТ данных включает в себя циклы: определения направления главных осей экспериментальных матриц импедансов [Zob] и их размерности; снятие влияния приповерхностных неоднородностей на экспериментальные кривые МТЗ-индукции ($\rho _{{ob}}^{{{\text{maх}}Н}}$, $\rho _{{ob}}^{{{\text{min}}Н}}$) [Counil et al., 1986] и фазового тензора [Caldwell et al., 2004]; проверки выполнения дисперсионных соотношений между максимальными (минимальными) модулями импедансов индукции ZmaxH (ZminH) и их фазами; построения стартовых геоэлектрических моделей с помощью программ одномерной и двумерной инверсий кривых МТЗ (рис. 2); использование программ трехмерного математического моделирования МТ полей [Druskin, Knizhnerman, 1994] при решении обратной задачи геоэлектрики методом подбора к кривым $\rho _{{ob}}^{{{\text{maх}}Н}}$, $\rho _{{ob}}^{{{\text{min}}Н}}$ и векторам Визе–Паркинсона 3D-модельных; оценки разрешающей способности 3D-модельных кривых МТЗ и векторов Визе–Паркинсона к определению УЭС проводящих блоков коры; расчет коэффициентов проявления структур в нижней части разреза на фоне изменения параметров в верхней части модели [Белявский, Николаев, 2011; Белявский, Алексанова, 2014; Белявский, Яковлев, 2016]. Для оценки УЭС блоков коры предпочтительнее выполнять подбор 3D-модельных кривых МТЗ к кривым индукции или фазового тензора, хотя погрешность оценки по ним УЭС в модельных блоках коры с ρm(Хm, Ym, Zm) может достигать и 100%.
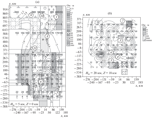
Рис. 2.
Сечения стартовой 3D-модели на уровнях Z: 0 км (а), 18 км (б) и результаты 1D-инверсии – $\rho _{m}^{{ух}}({{H}_{m}})$ модельных кривых $\rho _{m}^{{ух}}(T)$ для Hm = 5 км (а) и 20 км (б). Ось У ориентирована по азимуту 30°. В кругах даны номера зон (рис. 8), для которых оценивалось насыщение литосферы флюидом ${\mathbf{ф}}_{{\mathbf{\rho }}}^{f}$ и расплавом ${\mathbf{ф}}_{{\mathbf{\rho }}}^{m}$. Справа – шкала УЭС блоков (ρm). Изолинии $\rho _{m}^{{ух}}({{H}_{m}})$ даны в lg (ρ), Ом ⋅ м. Показаны интервалы пр. И–И, МТЗ № 462–562 (Оссора–Корф) и № 1–54 (р. Вывенка–р. Пахача).

Распределение УЭС в осадочном чехле впадин и верхней части разломов в стартовых 3D-моделях задавалось с учетом результатов 1D-инверсии кривых МТЗ и сейсмических построений1, 2. Результирующие блочные 3D-модели с более детальным заданием модельных точек (м.т.) расчета МТ полей, по сравнению со стартовой моделью на рис. 2, представлены на рис. 3, а проекции на плоскости Х–Y, Z–Х и Z–Y призм низкоомных блоков, полученных методом подбора к экспериментальным кривым $\rho _{{ob}}^{{{\text{max}}Н}}$, $\rho _{{ob}}^{{{\text{min}}Н}}$ 3D-модельных $\rho _{m}^{{{\text{max}}H}}$, $\rho _{m}^{{{\text{min}}H}}$, показаны на рис. 4–рис. 5.
Рис. 3.
Блочные модели южной (а) и северной (б) частей п-ва Камчатка. На блоках показаны их УЭС. Курсивом дано положение модельных точек (рис. 2) и экспериментальных (подчеркнуты) МТЗ, римскими цифрами вынесены номера групп МТЗ на профиле Е–Е и профиле Ж–Ж (рис. 1). Ю-К – Южно-Камчатский прогиб, Н – Начикинский грабен, Ср – Срединный выступ, ХПП – Хавывенское погребенное поднятие. Региональные и глубинные разломы: Пп – Петропавловский, Жп – Жупановский, Ун – Унанский, Кр – Крестовский, Шв – Шивелучский, У-К – Усть-Камчатский, Ха – Харьюзовский. Звезды – Авачинский и Шивелучский вулканы. Ось У ориентирована по азимуту 30°.

Рис. 4.
Сечения 3D-модели центральной части полуострова (рис. 2) и результаты 1D-инверсии кривых МТЗ: а – $\rho _{{ob}}^{{{\text{max}}H}}$ на профиле И–И (МТЗ 88–287) и $\rho _{{ob}}^{{ух}}$ для МТЗ 55–72; б – модельных $\rho _{m}^{{ух}}$ для модельных точек 88–96 и 114–120 (рис. 2), отвечающих $\rho _{{ob}}^{{ух}}$ на профиле Д–Д (рис. 1). Изолинии УЭС даны в lg(ρ), Ом ⋅ м. Выше модельных точек показаны: номера экспериментальных МТЗ (курсив) или их групп и положение разломов: Пп – Петропавловский, Жп – Жупановский, ЛА – Лаучан-Андриановский, Об – Облуковский, Кр – Крестовский (рис. 8). Горизонтальные линии – границы Мохо M и М1, вертикальные – разломы (МОВЗ). Справа – УЭС блоков.

Рис. 5.
Сечения блочной 3D-модели Корякии и Камчатского перешейка для: (а) У = 850 км, (б) У = 720 км, (в) Х = 20 км (рис. 2). Интервалы профиля И–И: (а) – Верхнее Пенжино–Пенжинская губа–р. Вывенка–р. Пахача; (б) – р. Вывенка–Корф; (в) – от межплитного разлома МП1 до МП2 (рис. 1). Пунктир – разломы, М и М1 границы Мохо (МОВЗ); звезды – гипоцентры Ильпырского, Олюторского и Хаилинского землетрясений. Сверху – номера модельных и экспериментальных (курсив) точек МТЗ и аббревиатуры структур (рис. 8). Справа – УЭС блоков в lg(ρ), Ом ⋅ м.

Одномерная инверсия $\rho _{m}^{{ух}}({{Н}_{m}})$ модельных кривых $\rho _{m}^{{ух}}(T)$ показала, что блоки с ρm = 8–25 Oм · м и подошвой, расположенной до глубин Zm = 5 км, проявляются в значениях $\rho _{m}^{{ух}}({{Н}_{m}})$ = 20–100 Oм · м и глубже 20 км (рис. 2б), а с подошвой, залегающей на глубинах Zm = 15–20 км и на Hm = 70 км (рис. 4б). Поэтому при составлении стартовых моделей учитывалось, что низкоомные аномалии в высокоомной литосфере региона, выделяемые при 1D-инверсии кривых $\rho _{{ob}}^{{{\text{max}}Н}}$, $\rho _{{ob}}^{{{\text{min}}Н}}{\text{,}}$ могут являться следствием искажения кривых МТЗ. Опыты по двумерной инверсии МТ данных [Белявский, 2011; Белявский и др., 2008] также показали целесообразность проведения трехмерной интерпретации МТ данных.
Относительные среднеарифметические погрешности построения экспериментальных кривых МТЗ составляют 6–8%, а погрешности фаз импедансов ${\text{Arg}}Z_{{ob}}^{{{\text{max}}}}$ и ${\text{Arg}}Z_{{ob}}^{{{\text{min}}}}$ 3°–4°. Относительные среднеарифметические погрешности подбора 3D-модельных кривых $\rho _{m}^{{{\text{max}}H}}$, $\rho _{m}^{{{\text{min}}H}}$ и $\rho _{m}^{{уx}}$ к медианным кривым групп экспериментальных кривых $\rho _{{ob}}^{{{\text{max}}Н}}$, $\rho _{{ob}}^{{{\text{min}}Н}}$ и $\rho _{{ob}}^{{уx}}$ в усеченном диапазоне периодов со стороны высоких и/или низких частот варьировали от 5 до 50%. Среднеарифметическая погрешность подбора 3D-модельных фаз импедансов ${\text{Arg}}Z_{m}^{{{\text{max}}}}$ и ${\text{Arg}}Z_{m}^{{{\text{min}}}}$ к средним значениям фаз в группах ${\text{Arg}}Z_{{ob}}^{{{\text{max}}}}$ и ${\text{Arg}}Z_{{ob}}^{{{\text{min}}}}$ составляла 4°–10°. Пример подбора 3D-модельных кривых $\rho _{m}^{{{\text{max}}H}}$, $\rho _{m}^{{{\text{min}}H}}$ к экспериментальным $\rho _{{ob}}^{{{\text{max}}Н}}$, $\rho _{{ob}}^{{{\text{min}}Н}}$ для центральной части профиля И–И показан на рис. 6, а сами трехмерные модели и их сечения на рис. 2–рис. 4.
Рис. 6.
Сопоставление экспериментальных $\rho _{{ob}}^{{{\text{max}}H}}$, $\rho _{{ob}}^{{{\text{min}}H}}$ и модельных $\rho _{m}^{{{\text{max}}H}}$, $\rho _{m}^{{{\text{min}}H}}$ кривых индукции (рис. 2) на профиле И–И для точек МТЗ: (а) – 116–124 (м.т. 12); (б) – 143–151 (м.т. 32–52, разлом Петропавловский); (в) – 156–176 (м.т. 52, разлом Жупановский); (г) – 184–190 (модельные точки 72–92); (д) – 194–202 (м.т. 92); (е) – 216–223 (модельные точки 92–112, разлом Облуковский); (ж) – 236–246 (м.т. 112); (з) – 264–270 (модельные точки 112–132, разлом Лаучан-Андриановский).

По построенным блочным 3D-моделям распределения удельного электрического сопротивления оценивалось содержание в низкоомных блоках водной фракции флюида ${\mathbf{ф}}_{{\mathbf{\rho }}}^{f}$, при ее минерализации солями NaCl c С = 100–170 г/л, или долей расплава ${\mathbf{ф}}_{{\mathbf{\rho }}}^{m}$. Степень минерализации флюида принята с учетом распределения дефицита скорости продольных волн в литосфере Камчатского полуострова, зарегистрированного при изучении методами ГСЗ и сейсмической томографии [Федотов, 2006]. Корреляция положения этих доменов с областями пониженного УЭС и дефицита плотности1, 2 позволила допустить их насыщение флюидом или расплавом. Полученные по сейсмическим данным значения ${\mathbf{ф}}_{{\mathbf{v}}}^{f}$ и ${\mathbf{ф}}_{{\mathbf{v}}}^{m}$ принимались за реперные, относительно которых для низкоомных блоков УЭС оценивались пределы изменения водной фракции флюида ${\mathbf{ф}}_{{\mathbf{\rho }}}^{f}$ и долей расплава ${\mathbf{ф}}_{{\mathbf{\rho }}}^{m}$. Достоверность такого определения зависит не только от надежности получаемых 3D-распределений ρm(Хm, Ym, Zm), но и от: изменения с глубиной пористости, отклонения природной минерализации флюида от принятой при оценке ${\mathbf{ф}}_{{\mathbf{\rho }}}^{f}$, связанности долей флюида и расплава в проводящие цепи, химического состава расплава, типа проводящих включений – флюид или/и расплав. В настоящей работе рассмотрено влияние на ${\mathbf{ф}}_{{\mathbf{\rho }}}^{f}$ и ${\mathbf{ф}}_{{\mathbf{\rho }}}^{m}$ последних четырех факторов.
2. УДЕЛЬНОЕ ЭЛЕКТРИЧЕСКОЕ СОПРОТИВЛЕНИЯ ФЛЮИДА И РАСПЛАВА
2.1. Оценка долей водной фракции флюида
Содержание связанных долей водной фракции флюида ф в коре и верхней мантии оценивалось по приближенной формуле [Shankland, Waff, 1977; Ваньян, 1997]
(1)
${{\sigma }^{l}} \approx 2{{\sigma }_{f}} \cdot {{\mathbf{ф}} \mathord{\left/ {\vphantom {{\mathbf{ф}} 3}} \right. \kern-0em} 3},$Высокая проводимость коры на глубинах 20–30 км может быть вызвана процессами дегидратации пород амфиболитовой фации метаморфизма при температурах 700–800°С [Браун, Массет, 1984]. Флюид может поступать и из погружающейся океанической коры, содержащей до 30% серпентинитов и 60–70% перидотитов, обогащенных водою [Рингвунд, 1981]. Объем образовавшейся свободной воды достигает двух процентов от объема коры, а всех ее долей – до четырех процентов [Каракин и др., 2003]. При температурах 200–500°С и давлении 10–30 кбар вода может находиться в жидком состоянии и до глубины 70 км [Кузин, 2014]. Миграции флюида вдоль разломов по зонам трещиноватости и сланцеватости ведет к концентрации его водной фракции в коре при протекании процессов дилатансионного расширения [Файф и др., 1981]. В магме континентальной коры вода (до 5–7%) находится в растворенном и диссоцированном состоянии. При ее остывании большая часть воды выделяется в виде пара. Этот гидротермальный флюид может быть представлен, в первом приближении, системой NaCl–H2O [Hedenquist, 1995], который существует в виде единой надкритической фазы при высоком давлении.
Лабораторные исследования, проведенные на обводненных образцах кварцита, с учетом части адсорбированных ионов Na+, Cl–, не переносящих ток или находящихся в карманах горных пород [Shimojuku et al., 2014], показали, что при давлении 10 кбар и температуре 525° < Т < 825°С понижение их УЭС до 10 Ом · м возможно при минерализации флюида солями хлорида натрия с C = 50 г/л и его насыщением до ф50 = 10–14% или с C = 100 г/л при ф100 = 3.5–4%, а также с С = 170 г/л и ф170 = 0.75–0.9%. Последним двум минерализациям и насыщениям водной фракции флюида ${\mathbf{ф}}_{{\mathbf{\rho }}}^{f}$ отвечают значения ${\mathbf{ф}}_{{\mathbf{v}}}^{f}$, определенные по дефициту скорости продольных волн, так как оцененное в регионе содержание ${\mathbf{ф}}_{{\mathbf{v}}}^{f}$ не превышает 8%, если оценки проводить по уравнению среднего времени [Wyllie et al., 1956]. Полученные зависимости УЭС водных долей флюида ρf от температуры, давления, степени минерализации приведены на рис. 7а. Видно, что значения ρф, полученные для всех связанных водных долей флюида (нижние графики, рис. 7а), согласно данным работы [Физические …, 1984], почти на порядок ниже удельного электрического сопротивления флюида, у которого часть ионов воды не участвует в токовом процессе (верхние графики) [Shimojuku et al., 2014], при том же самом ее объеме.
Рис. 7.
Зависимость удельного электрического сопротивления от температуры и давления: (а) – водной фракции флюида, минерализованной солями NaCl в 100 и 170 г/л для всех связанных его долей, переносящих ток (нижние графики); с учетом части адсорбированных долей [Shimojuku et al., 2014] (верхние графики); (б) – долей расплавов сухого перидотита ($\rho _{m}^{p}$) и базальта ($\rho _{m}^{b}$) от температуры и его объемного содержания [Pommier, Garnero1, 2013].

Для доменов литосферы, характеризующихся дефицитом скорости продольных волн (∆Vр = Vро – Vp) относительно вмещающих их блоков с Vро, величина водного флюида ${\mathbf{ф}}_{{\mathbf{v}}}^{f}$ или базальтового расплава ${\mathbf{ф}}_{{\mathbf{v}}}^{b}$ оценивалась из уравнения [Wyllie et al., 1956]:
(2)
${1 \mathord{\left/ {\vphantom {1 {{{V}_{р}}}}} \right. \kern-0em} {{{V}_{р}}}} = {{{{{\mathbf{ф}}}_{{\mathbf{v}}}}} \mathord{\left/ {\vphantom {{{{{\mathbf{ф}}}_{{\mathbf{v}}}}} {{{V}_{f}}}}} \right. \kern-0em} {{{V}_{f}}}} + {\text{ }}{{(1{\text{ }} - {{{\mathbf{ф}}}_{{\mathbf{v}}}})} \mathord{\left/ {\vphantom {{(1{\text{ }} - {{{\mathbf{ф}}}_{{\mathbf{v}}}})} {{{V}_{р}}_{о}}}} \right. \kern-0em} {{{V}_{р}}_{о}}},$Содержание водной фракции флюида или расплава магм оценивалось по УЭС проводящих блоков литосферы с учетом распределения вблизи них температуры и давления (рис. 1). На севере Камчатского полуострова и в Корякии, у границы Мохо, на глубинах 30–45 км температура достигает 800–1000°С, а на юго-западе и под Срединным выступом 600–700°С, возрастая под восточным вулканическим поясом Камчатки до 800–900°С [Моисеенко, Смыслов, 1986].
2.2. Оценка долей расплава магматических пород
Величина расплава (${\mathbf{ф}}_{{\mathbf{\rho }}}^{m}$) определялась с учетом проведенных лабораторных исследований [Pommier, Garnero1, 2013] о влиянии на электрическое сопротивление базальтовых, толеитовых и перидотитовых пород УЭС расплава ρm и его долей ${\mathbf{ф}}_{{\mathbf{\rho }}}^{{\mathbf{m}}}$, переносящих ток. Влияние на электрическое сопротивление расплавленных блоков литосферы ρf водного флюида выполнялось с учетом данных работы [Shimojuku et al., 2014]. Рассматривалось два сценария:
– плавление сухого базальта наступает, если на глубинах свыше 30 км температура превышает 1200°, а при наличии свободной воды (0.1–1%) и в интервале 600° < T < 900°С [Браун, Массет, 1984]. При минерализации флюида в 100–170 г/л и Т > 500° его УЭС не превышает 0.013 Ом ⋅ м, что значительно ниже УЭС расплава, и электрическое сопротивление литосферных блоков определяется, в основном, значениями ρf и связанностью в них капель воды (рис. 7а);
– если в расплаве свободная вода отсутствует, то электрическое сопротивление низкоомных блоков, содержащих расплав, зависит от $\rho _{m}^{b}$ базальтового или $\rho _{m}^{p}$ перидотитового расплавов, давления, температуры, связанности капель расплава и доли ${\mathbf{ф}}_{{\mathbf{\rho }}}^{m}$ расплава (рис. 7б).
В пользу первого сценария свидетельствуют данные: о выделении водяного пара в зонах подвига океанической коры при ее десерпентинизации или преобразовании амфиболитов, что ведет к плавлению перидотита на глубинах 50–90 км при Т = 700–900°С и образованию обводненных базальтовых магм [Браун, Массет, 1984]; о “преобладании магматической формы транспортировки водных флюидов из мантии, при кристаллизации подкоровых лав которой выделяется вода” [Файф, 1981]; о существовании жидких водных флюидов в надкритической ее фазе при температуре Т > 374°C в мантии и зонах активизации литосферы [Hedenquist, 1995], содержание воды в мантии достигает 0.1% [Рингвунд, 1981]. В пользу второго сценария приводятся факты о наличии мантийных расплавов пород, содержащих амфиболит [Yoshino et al., 2011], а также то, что при температурах Т > 650°C флюиды c H2O не могут существовать в нижней коре и переходной зоне, так как их растворяют метаморфические реакции [Jones, 1992].
Таким образом, повышенная проводимость литосферных блоков может определяться расплавами обводненных (Т = 700–900°C) или сухих (Т > 1200°C) пород и водной фракцией флюида. В последнем случае электрическая проводимость мантийных пород определяется в основном УЭС флюида, а не расплава. Ввиду отсутствия надежных сведений об присутствии мантийных водных растворов, проводились оценки содержания расплавов сухих (мантийных) и обводненных (коровых и мантийных) пород, если вода остается в свободном состоянии после плавления литосферных комплексов.
2.3 Удельное электрическое сопротивление расплавов
Зависимость УЭС пород расплавов сухих перидотитов и базальтов от роста температуры с 1260 до 14408°С и величины расплава фm с 2 до 20%, при давлении 10 кбар представлена на рис. 7б, согласно данным работы [Pommier, Garnerol, 2013]. Усредненные значения электрического сопротивления расплавов составляют: в интервале Т = =1260–1380°С для базальта $\rho _{m}^{b}$ = 0.13 Ом ⋅ м, что близко к значениям $\rho _{m}^{p}$ = 0.12 Ом ⋅ м у истощенного перидотита (при Т = 1345–1440°С), а у насыщенного перидотита $\rho _{m}^{p}$ = 0.07 Ом · м (1260–1380°С). Содержание расплавов в литосфере региона оценивалось для $\rho _{m}^{b}$ = 0.13 Ом ⋅ м и $\rho _{m}^{p}$ = 0.07 (при Р = 10 кбар). Если в блоках Т < 1260°С, то $\rho _{m}^{p}$ и $\rho _{m}^{b}$ корректировались с учетом их зависимости от температуры [Физические…, 1984].
Лабораторные исследования, проведенные на образцах оливин-базальтовых и оливин-карбонитовых пород, показали [Yoshino et al., 2011]:
– зависимость электрического сопротивления мантийных пород от содержания в них базальтового расплава описывается формулой (1), но с показателем степени у ф не 1, а 0.9;
– выделяемые в нижней коре и верхней мантии (при Т = 1200–1300°С) блоки с ρm = 10–20 Oм ⋅ ּм связаны не с оливин-карбонитовыми породами, имеющими ρm = 0.01 Oмּ ⋅ м, а с базальтовыми расплавами, имеющими ρm = 0.1 Oм ⋅ м, что близко к среднему значению $\rho _{m}^{b}$ и $\rho _{m}^{p}$, используемых в статье для определения ${\mathbf{ф}}_{{\mathbf{\rho }}}^{m}.$
Содержание в мантийных породах водной фракции флюида ${\mathbf{ф}}_{{\mathbf{\rho }}}^{f}$ оценивалось при его минерализации солями хлорида натрия с C = 100 г/л для $\rho _{f}^{{100}}$ = = 0.15 Ом ⋅ м и при C = 170 г/л для $\rho _{f}^{{170}}$ = 0.035 Ом ⋅ м, отвечающих Т = 1100°С и частичной связанности водной фракции флюида в проводящие цепи [Shimojuku et al., 2014]. Учитывалась зависимость от температуры и давления [Физические…, 1984; Ваньян, 1997] электрических сопротивлений $\rho _{f}^{{100}}$, $\rho _{f}^{{170}}$ (рис. 7а) и УЭС расплавов $\rho _{m}^{b}$ и $\rho _{m}^{p}$ (рис. 7б). Она дополняет обзор работы [Li et al., 2003], в которой показано, что: для увлажненных пород с уменьшением температуры с 1000 до 600°С при давлении 8 кбар ρm увеличивается с 0.06 ּ до 0.5 Oм ⋅ м, а при Р = 4 кбар с ρm = 0.09 до 1 Oм ⋅ м. При температуре 1200°С расплавы сухих андезитовых и толеитовых пород ρm соответственно составляют 1.3 и 0.9 Oм ⋅ м.
В Камчатском регионе на глубинах 40–50 км температура достигает 800–1200° (рис. 1), которой достаточно для плавления водосодержащих амфиболитов. Проведенное для базальтовых магм сравнение, получаемых значений ${\mathbf{ф}}_{{\mathbf{\rho }}}^{b}$ с реперными ${\mathbf{ф}}_{{\mathbf{v}}}^{b}$, оцененными по скоростям продольных волн (таблица) в зависимости от степени связанности (α) капель расплавов в непрерывные цепи [Ваньян, 1997], показало, что при α ≈ 60 и 80% их УЭС растет, по сравнению с ρm, полученным для всех связанных капель (α ≈ 100%) в пять и два раза. При α ≈ 60% расчетные значения ${\mathbf{ф}}_{{\mathbf{\rho }}}^{b}$ приближаются к ${\mathbf{ф}}_{{\mathbf{v}}}^{b}$ в большинстве районов региона, за исключением Прибрежного горста, в котором принято α = 80%. Содержание расплава базальта ${\mathbf{ф}}_{{\mathbf{v}}}^{b}$ оценивалось для доменов с дефицитом скорости ∆Vp продольных волн, представленных в работе1 и монографии [Федотов, 2006].
3. СОДЕРЖАНИЕ ВОДНОЙ ФРАКЦИИ ФЛЮИДА И РАСПЛАВА В ЛИТОСФЕРЕ КОРЯКСКО-КАМЧАТСКОГО РЕГИОНА
Корякско-Камчатский регион включает в себя структуры: континентального типа (Омолонский массив и Срединный выступ), залеченные зоны Заваринского–Беньофа (Пенжинская–Западно-Камчатская СФЗ), аккреционные покровы (Корякское нагорье), зоны субдукции (Прибрежный горст), структуры с роевой сейсмичностью и вулканической активностью (Южно-Камчатский прогиб и Начикинский грабен), области высокой сейсмичности (Вывенская и Кичинская впадины, восточное побережье Камчатки) и вулканические пояса (Олюторско–Восточно-Камчатская СФЗ). Под перечисленными тектонотипами глубина расположения границы Мохо (рис. 1) изменяется от 20–35 км (Олюторско–Восточно-Камчатская СФЗ) и до 35–45 км (Омолонский, Укэлаятско-Срединный массивы и Срединный выступ). Она имеет двухъярусное строение с границей М1, расположенной глубже основной М (рис. 1, вставка) на 5–10 км, что связано с активизацией1, 2 большей части структур региона (рис. 4–рис. 5). Величина водной фракции флюида ${\mathbf{ф}}_{{\mathbf{\rho }}}^{f}$ оценивалась, в основном, при минерализациях 170 г/л (1) и реже с С = 100 г/л (2), а расплавов ${\mathbf{ф}}_{{\mathbf{\rho }}}^{m}$, в основном для их связанности, в 60% (табл. 1).
Таблица 1.
Оценки содержания водной фракции флюида и расплава
| Структуры, зоны, глубина Zm (км) до блока с ρm(Ом · м); температура Тm, на глубине Zm |
Доля воды во флюиде – ${\mathbf{ф}}_{{\mathbf{\rho }}}^{f}$, при минерализации солями NaCl c C = 170 (1) и 100 (2), (г/л) |
${\mathbf{ф}}_{{\mathbf{\rho }}}^{b}$ и ${\mathbf{ф}}_{{\mathbf{\rho }}}^{p}$, в % при α = 80% (1), α = 60% (2); у расплава базальта с $\rho _{m}^{b}{\text{ }}$ = 0.13 Ом · м и перидотита с $\rho _{m}^{p}{\text{ }}$= 0.07 Ом · м | ∆Vр – дефицит
скорости, км/с;
Vpo – скорость вне блока с ∆Vp. Содержание: флюида – ${\mathbf{ф}}_{{\mathbf{v}}}^{f}$, % и расплава – ${\mathbf{ф}}_{{\mathbf{v}}}^{b}$, % |
|---|---|---|---|
| Прибрежный горст Zm= 70, ρm =15–20, Тm = 1100–1200о C |
1) ${\mathbf{ф}}_{{\mathbf{\rho }}}^{f}$ = 0.35–0.26% | 1) ${\mathbf{ф}}_{{\mathbf{\rho }}}^{b}$ = 3%, ${\mathbf{ф}}_{{\mathbf{\rho }}}^{p}$= 1.6% | Vpo = 7.8, ∆V = 0.2–0.1,
${\mathbf{ф}}_{{\mathbf{v}}}^{f}$ = 0.3–0.6 ${\mathbf{ф}}_{{\mathbf{v}}}^{b}$ = 0.8–1.6% |
| Начикинский грабен, зона 4, Zm= 40, ρm = 40–50, Тm = 900°C | 2) ${\mathbf{ф}}_{{\mathbf{\rho }}}^{f}$ = 0.75–1% | (2) ${\mathbf{ф}}_{{\mathbf{\rho }}}^{b}$ = 3%, ${\mathbf{ф}}_{{\mathbf{\rho }}}^{p}$ = 1.6% | Vpo = 7.1–7.2, ∆V= 0.4,
${\mathbf{ф}}_{{\mathbf{v}}}^{f}$ = 1.8%, ${\mathbf{ф}}_{{\mathbf{v}}}^{b}$ = 4% |
| ЦКВП, зона 6, Ганальский выступ, Zm = 40, ρm = 40–50, Тm = 900°C |
1) ${\mathbf{ф}}_{{\mathbf{\rho }}}^{f}$ = 0.14 –0.18% 2) ${\mathbf{ф}}_{{\mathbf{\rho }}}^{f}$ = 0.75–1% |
(2) ${\mathbf{ф}}_{{\mathbf{\rho }}}^{b}$ = 3%, ${\mathbf{ф}}_{{\mathbf{\rho }}}^{p}$ = 1.6% | Vpо = 7.2, ∆V = 0.1– 0.2,
${\mathbf{ф}}_{{\mathbf{v}}}^{f}$ = 0.3–0.6%, ${\mathbf{ф}}_{{\mathbf{v}}}^{b}$ = 0.9–1.6% |
| У-С, зона 11 (пр. Ж–Ж,V–VI), Zm = 50, ρm= 33, Тm = 1200°C | 1) ${\mathbf{ф}}_{{\mathbf{\rho }}}^{f}$ = 0.2% 2) ${\mathbf{ф}}_{{\mathbf{\rho }}}^{f}$ = 1.2% |
(2) ${\mathbf{ф}}_{{\mathbf{\rho }}}^{b}$ = 3.5%, ${\mathbf{ф}}_{{\mathbf{\rho }}}^{p}$ = 1.9% | Vpо = 7.8, ∆V = 0.2,
${\mathbf{ф}}_{{\mathbf{v}}}^{f}$ = 0.6%, ${\mathbf{ф}}_{{\mathbf{v}}}^{b}$ = 1.6%, |
| ОВК, зона 7 (пр. Ж–Ж, VII–IX), Zm = 50, ρm = 50, Тm = 1200°C | 2) ${\mathbf{ф}}_{{\mathbf{\rho }}}^{f}$ = 0.72% | (2) ${\mathbf{ф}}_{{\mathbf{\rho }}}^{b}$ = 2%, ${\mathbf{ф}}_{{\mathbf{\rho }}}^{p}$ = 1.1% | Vpо = 7.8, ∆V = 0.2,
${\mathbf{ф}}_{{\mathbf{v}}}^{f}$ = 0.6%, ${\mathbf{ф}}_{{\mathbf{v}}}^{b}$ = 1.6% |
Южная часть Камчатского полуострова
В Южно-Камчатском прогибе (зона 5, блок с ρm = 10 Ом ⋅ м, рис. 2–рис. 3; рис. 8а), “задуговой” структуре с роевой сейсмичностью и гидротермальной активностью, глубже 13 км насыщение водной фракцией флюида составляет ${\mathbf{ф}}_{{\mathbf{\rho }}}^{f}$ = 0.9–1.3%. Расположенные ниже (Z = 30 км) домены с дефицитом скорости 0.3–0.4 км/с [Федотов, 2006] и плотности1 в Δσ = 0.03–0.05 г/см3 могут быть связаны с флюидонасыщением до ${\mathbf{ф}}_{{\mathbf{v}}}^{f} \approx {\mathbf{ф}}_{\sigma }^{f}$ = 1.6–2.4% [Физические свойства…, 1984; Белявский, Алексанова, 2014]. Относительно спокойный в сейсмическом и вулканическом отношении Срединный выступ, граничащий с прогибом, характеризуется понижением УЭС только глубже 50 км.
Рис. 8.
Распределение в литосфере Камчатско-Корякского региона водной фракции флюида (а), (б) и расплава (б). На схеме тектонического районирования [Апрелков и др., 1991]: 1 – срединные массивы, платформы, породы мафического ряда, верхнемеловые офиолитовые формации и вулканиты; 2 – кайнозойские прогибы; 3 – границы Центрально-Камчатского вулканического пояса; 4 – границы поднятий, впадин, СФЗ и их названия: ОМ – Омолонский массив, О–В-К – Олюторско–Восточно-Камчатская СФЗ, П–З-К – Пенжинско–Западно-Камчатская СФЗ, У-С – Укэлаятско-Срединный массив, Ср – Срединный выступ. Структуры второго порядка: Вв – Вывенская впадина, Гн – Ганальский выступ, Г-Пп – Гывенско-Пылговаямское поднятие, Г-П – Гывенско-Пахачинский прогиб, Кн – Корякское нагорье, Н – Начикинский грабен, И-Т – Ильпино-Тыгловаямский прогиб, Пв – Пенжинская впадина, Пр – Прибрежный горст, П-П – Парапольско-Пусторецким прогиб, Пл – Паланский прогиб, ХПП – Хавывенское погребенное поднятие, Шп – Шипунский полуостров, Ю-К – Южно-Камчатский прогиб; 5а – глубинные разломы: Ас – Асачинский, ББ – Больше-Банный, Вл – Вилючинский, В-В – Вывенско-Ватынский, ГК – Главный Камчатский, Жп – Жупановский, Кр – Крестовский, ЛА – Лаучан-Андриановский, МП1 и МП2 – межплитные, Об – Облуковский, О-М – Орловско-Микинский, Пп – Петропавловский, Ун – Унанский, У-К – Усть-Камчатский, Хд – Ходутковский, Ха – Харьюзовский, Ши – Шивелучский, Шб – Шайбовеемский; 5б – разломы и зоны повышенной сейсмичности; 6 – границы главных тектонических элементов; 7 – объем водной фракции флюида ${\mathbf{ф}}_{{\mathbf{\rho }}}^{{\mathbf{f}}}$ (%): 7а – в коровом блоке (верхний ряд) и его глубина (нижний ряд); 7б – в мантийном блоке (средний ряд) и его глубина его (нижний ряд); сверху – среднее значение ${\mathbf{ф}}_{{\mathbf{\rho }}}^{m}$ для расплавов: насыщенного перидотита $\rho _{m}^{p}$ и базальта $\rho _{m}^{b}$, 8 – объем водной фракции в разломах (в %); 9 – зоны определения ${\mathbf{ф}}_{{\mathbf{\rho }}}^{{\mathbf{f}}}$ и ${\mathbf{ф}}_{{\mathbf{\rho }}}^{m}$.

В зоне подвига океанической коры под вулканы Прибрежного горста (рис. 3а; рис. 8б) глубже 70 км, где температура достигает 1200°С, картируется проводящий блок с содержанием перидотитовых и базальтовых расплавов до ${\mathbf{ф}}_{{\mathbf{\rho }}}^{m}$ = 1.6–3% (таблица). В этом блоке наблюдается повышенное поглощение обменных волн землетрясений2, а дефицит скорости в ∆Vр = 0.1–0.2 км/с [Федотов, 2006] отвечает насыщению его расплавом до ${\mathbf{ф}}_{{\mathbf{v}}}^{b}$ = 0.8–1.6% (таблица). Альтернативный вариант связи мантийной проводимости с водным флюидом дает ${\mathbf{ф}}_{{\mathbf{\rho }}}^{f}$ = 0.35–0.26% при ${\mathbf{ф}}_{{\mathbf{v}}}^{f}$ = 0.3–0.6%. Региональные субширотные сдвиговые разломы Больше-Банный, Асачинский и Ходутковский, пересекающие Прибрежный горст, характеризуются ${\mathbf{ф}}_{{\mathbf{\rho }}}^{f}$ = 0.2–0.02%, а отделяющий его от Начикинского грабена Вилючинский (c ρm = 10 Ом ⋅ м) до глубины 3 км имеет ${\mathbf{ф}}_{{\mathbf{\rho }}}^{f}$ ≈ 2% (рис. 8а).
Под Начикинским грабеном и Ганальским выступом (МТЗ 60–66–94, пр. Б–Б, рис. 1; м.т. 49–55, рис. 3а; рис. 8б, зоны 4 и 6), расположенными на продолжении Императорского палеорифта под п-ов Камчатка [Мелихов, Лыгин, 2008] на глубине 40 км, глубже границы Мохо могут формироваться расплавы, вызванные плавлением обводненных мантийных пород (Т = 900°) с ${\mathbf{ф}}_{{\mathbf{v}}}^{b}$ ≈ ${\mathbf{ф}}_{{\mathbf{\rho }}}^{m}$ = = 1.6–3% (табл. 1). Если повышенная проводимость мантийного домена обусловлена присутствием в них водной фракции флюида, то ${\mathbf{ф}}_{{\mathbf{\rho }}}^{f}$ ≈ ≈ 0.7–1% при ${\mathbf{ф}}_{{\mathbf{v}}}^{f}$ = 0.6–1.8%. Расположенные выше блоки с ρm = 25 Ом · м (рис. 3), аппроксимирующие зоны глубинных разломов Петропавловского (пр. Б–Б, МТЗ 66, рис. 1, рис. 3а) и Жупановского (МТЗ 100, пр. Г–Г и МТЗ 94, пр. Б–Б, рис. 3а), охватывающие вулканы Авачинская, Жупановская и Карымская сопки, характеризуются насыщением водной фракции до ${\mathbf{ф}}_{{\mathbf{\rho }}}^{f}$ = 0.3–0.7%.
Центральная часть Камчатского полуострова
Под Хавывенским поднятием (ХПП) и Олюторско–Восточно-Камчатской СФЗ (О–В–К) низкоомные разломы Жупановский, Крестовский, Шивелучский, Лаучан-Андриановский и субмеридиональные зоны вдоль действующих вулканов Безымянный, Толбачинский, Ключевской и Шивелучский (рис. 4) на глубинах 10–20 км содержат водную долю флюида в ${\mathbf{ф}}_{{\mathbf{\rho }}}^{f}$ = 0.7–2% (зоны 2, 3, 6, рис. 8а). Вблизи этих сдвиговых, сейсмогенерирующих разломов Камчатки и под ее восточным вулканическим поясом (О–В-К) на глубинах 5–50 км концентрируются гипоцентры землетрясений1 с магнитудой М = 2–5.
В пределах Ключевской группы вулканов [Мороз, 1991; Гонтовая и др., 1993] и под Шивелучским разломом (зоны 2 и 3, рис. 3б; рис. 4б) на глубинах от 15 до 30 км блоки коры с ρm = 5–20 Ом ⋅ м [Белявский, Яковлев, 2016] характеризуются ${\mathbf{ф}}_{{\mathbf{\rho }}}^{f}$ = = 2–1%, а вблизи границы Мохо – Zm = 30 км (Т = = 800°С) повышенная проводимость может быть связана и с расплавом – ${\mathbf{ф}}_{{\mathbf{\rho }}}^{m}$ = 5–10% (зона 2) (рис. 8б). Под грядой вулканов Ключевская–Толбачевский сопки глубже 20 км картируется домен с дефицитом скорости ∆Vp = 0.6–1.0 км/с при фоновой Vp = 6.6 км/с [Федотов, 2006; Ермаков и др., 2014], что можно объяснить наличием расплава базальта с ${\mathbf{ф}}_{{\mathbf{v}}}^{b}$ ≈ 5–10% и ${\mathbf{ф}}_{{\mathbf{v}}}^{b}$ ≈ ${\mathbf{ф}}_{{\mathbf{\rho }}}^{m}$. Под южной частью Шивелучской долины, дефицит скорости в ∆VP = 0.2 км/с в домене расположенном на глубине 30 км [Федотов, 2006], может быть связан и с содержанием воды с ${\mathbf{ф}}_{{\mathbf{v}}}^{f}$ = 0.6%, что также близко к ${\mathbf{ф}}_{{\mathbf{\rho }}}^{f}$ = 0.4–1% (рис. 8а). Это область западного окончания Алеутской дуги, проникающей под Хавывенское поднятие [Шарапова и др., 1984], где глубже 30 км температура достигает 800°С, которой достаточно для плавления обводненных перидотитов [Рингвунд, 1981].
Под Укэлаятско-Срединным массивом (зоны 7 и 11, пр. Ж–Ж, V–VII и VII–IХ, рис. 3б), севернее Усть-Камчатского разлома, расположенные на глубине 50 км (где Т = 1200°) низкоомные блоки отвечают насыщению расплавленным базальтом с ${\mathbf{ф}}_{{\mathbf{\rho }}}^{m}$ = 1.9–3.5% при ${\mathbf{ф}}_{{\mathbf{v}}}^{b}$ = 1.6% (таблица), а под Олюторско–Восточно-Камчатской СФЗ севернее Харьюзовского разлома – ${\mathbf{ф}}_{{\mathbf{\rho }}}^{m}$ = 1.1–2%. Если принять, что высокая проводимость блоков обусловлена содержанием водного флюида, то ${\mathbf{ф}}_{{\mathbf{\rho }}}^{f}$ = 0.7% при ${\mathbf{ф}}_{{\mathbf{v}}}^{f}$ = 0.6%. Это северо-западная граница области повышенной сейсмичности и вулканической активности.
Камчатский перешеек
Западная часть перешейка сопрягается на глубинах 10–40 км (МТЗ 351–390, пр. И–И; зона 11, рис. 8а) с Укэлаятско-Срединным массивом и с Усть-Камчатским разломом через блок с ρm = 100 Ом ⋅ м (рис. 3б), что отвечает водной фракции c ${\mathbf{ф}}_{{\mathbf{\rho }}}^{f}$ = = 0.04–0.13%. На пересечении Командорского и межплитного МП1 глубинных разломов (МТЗ 425–430, зона 11), на глубине от 5 до 30 км расположена призма с ${\mathbf{ф}}_{{\mathbf{\rho }}}^{f}$ = 0.6–0.2%, которая протягивается до восточного побережья перешейка (рис. 5в) вдоль глубинного межплитного разлома МП1. На восточном побережье глубже 5 км низкоомные межплитные разломы МП1, МП2 и очаговая зона Ильпырского землетрясения (M > 5.8) [Чебров и др., 2014] (МТЗ 464–470, МТЗ 550–562, пр. И–И, рис. 5в; зона 8 на рис. 8) характеризуются содержанием водной фракции флюида с ${\mathbf{ф}}_{{\mathbf{\rho }}}^{f}$ = 0.2–0.7%. Это зона повышенной сейсмичности1, отделяющей Охотскую плиту от Колымской.
Южная часть Корякского региона
В ее пределах стыкуются структуры северо-западной ориентации Камчатского перешейка и Берингова моря с северо-восточным простиранием структур Корякии. Здесь низкоомная зона межплитного разлома МП2 контактирует с проводящими блоками c ${\mathbf{ф}}_{{\mathbf{\rho }}}^{f}$ = 0.2–0.3% (зоны 1 и 8, рис. 8; МТЗ 170–230, пр. И–И, рис. 5), расположенными под Вывенской впадиной на глубине 35 км и на Zm = 20 км под южной частью Ильпино-Тылговаямского (МТЗ 230–250) и Гывенско-Пахачинского прогибов, вблизи Хаилинского (М = 7.0) и Олюторского (М = 7.8) гипоцентров землетрясений.
ОБСУЖДЕНИЕ ПОЛУЧЕННЫХ РЕЗУЛЬТАТОВ
Наблюдаемое многообразие тектонотипов, включающие в себя структуры континентального типа, зоны с высокой сейсмичностью и вулканической активностью, субдукции и рифтогененза, позволяет понять их влияние на распределение глубинной электропроводности, которая в изучаемом регионе контролируется флюидонасыщением и концентрацией расплавов горных пород. Положение блоков пониженного электрического сопротивления коррелирует с областями повышенной сейсмической и вулканической активностью, с доменами, характеризующимися пониженными скоростями продольных волн. Блоки литосферы с высоким содержанием флюида и расплава расположены: на пересечении субмеридиональных структур Олюторско-Восточно-Камчатской СФЗ со структурами широтной ориентации, такими как Императорский палеорифт, Алеутская вулканическая дуга, Баренцево море. В этих областях разгрузки тектонических напряжений и дилатансии аккумулируется флюид и расплав. Оцениваемые в них величины флюидонасыщения (${\mathbf{ф}}_{{\mathbf{\rho }}}^{f}$) и/или расплава (${\mathbf{ф}}_{{\mathbf{\rho }}}^{m}$), в основном, отвечают наблюдаемому дефициту скорости продольных волн [Федотов, 2006].
1. Под Южно-Камчатским прогибом, задуговой структурой, на глубине 35 км выделены блоки с содержанием водной фракции до ${\mathbf{ф}}_{{\mathbf{\rho }}}^{f}$ = 1.6–2.4%. Температура здесь достигает 800°С, которых достаточно как для развития процесса плавления обводненных мантийных пород, так и для дегидратации содержащих амфиболит блоков [Браун, Массет, 1984]. Дальнейшая миграция флюида вдоль вулканических систем и по ослабленным зонам коры ведет к росту его насыщения на глубинах 13–15 км до ${\mathbf{ф}}_{{\mathbf{v}}}^{f}$ = 1.5–2% (рис. 8а). Положение этой границы, объясняется понижением проницаемости верхней коры [Каракин и др., 2003]. Насыщение коры водной фракцией флюида коррелирует здесь с высокой сейсмической и гидротермальной активностью этой структуры, что свойственно зоне поддвига океанической коры под континентальную плиту. На ее переднем фланге расположены интрузивные высокоомные структуры Прибрежного горста, под которыми глубже 70 км формируется расплав с ${\mathbf{ф}}_{{\mathbf{\rho }}}^{m}$ = 1.5–3% (при ${\mathbf{ф}}_{{\mathbf{v}}}^{b}$ = 1–4%), вызванный плавлением субдуцированных океанических пород [Рингвунд, 1981].
2. Под Ничикинской грабенообразной структурой, с высокой вулканической и сейсмичностью активностью, расположенный глубже 40 км (рис. 3а) низкоомный и низкоскоростной мантийный блок [Федотов, 2006] можно связать с его насыщением расплавом до ${\mathbf{ф}}_{{\mathbf{\rho }}}^{m}$ = 1.5–3%, образующимся при плавлении обводненных пород, расположенных на пересечении субдукционных и палеорифтовых структур [Мелихов, Лыгин, 2008]. Этот блок с повышенным содержанием расплава (и/или связанных долей воды с ${\mathbf{ф}}_{{\mathbf{\rho }}}^{f}$ ≈ 0.7–1) прослеживается и западнее под Ганальским горстом и Олюторско–Восточно-Камчатской СФЗ (рис. 8). В него упирается низкоомный Петропавловский глубинный разлом (рис. 3а) с ${\mathbf{ф}}_{{\mathbf{\rho }}}^{f}$ = 0.3–0.7%, повышенное флюидонасыщение которого коррелирует с расположенными вблизи каналами фильтрации магматических флюидов Авачинской группы вулканов [Добрецов, 2017].
3. Под зонами действующих вулканов Безымянный, Шивелучский, Толбачинский, Ключевская сопка (рис. 3; рис 4б; зоны 2, 3, рис. 8) выделены блоки с ${\mathbf{ф}}_{{\mathbf{\rho }}}^{f}$ = 1–2% на глубине 10 км и вблизи границы Мохо – Z = 30 км (Т = 800°С), где возможно присутствие расплава с ${\mathbf{ф}}_{{\mathbf{v}}}^{b}$ ≈ ${\mathbf{ф}}_{{\mathbf{\rho }}}^{m}$ = 5–10%, возникшего при плавлении обводненных пород или при транспортировке его с более глубоких горизонтов. Под Ключевской группой вулканов на глубинах 25–35, 10 и 5 км существуют магматические очаги, верхняя часть которых формируется перед мощными извержениями [Ермаков и др., 2014]. Они проявляются повышенными значениями ${\mathbf{ф}}_{{\mathbf{\rho }}}^{f}$ и ${\mathbf{ф}}_{{\mathbf{\rho }}}^{m}$, что позволяет контролировать их накопление.
4. Вблизи низкоомных зон Жупановского, Лаучан-Андриановского, Крестовского и Шивелучского разломов, с содержанием водной фракции в ${\mathbf{ф}}_{{\mathbf{\rho }}}^{f}$ = 0.4–2% (зоны 2, 3, 6 рис. 8), в интервале глубин 5–50 км концентрируются гипоцентры землетрясений1 (с магнитудой до М = 5) и наблюдается повышенная вулканическая деятельность, что отражается в росте содержания флюида. Меньшие значения – ${\mathbf{ф}}_{{\mathbf{\rho }}}^{f}$ = 0.2–0.7% – свойственны межплитным разломам МП1 и МП2, расположенным в более спокойном в сейсмическом и вулканическом отношении Камчатском перешейке, а также Харьюзовскому и Усть-Камчатскому разломам, отделяющих его от Камчатского полуострова. Расположенный под ними на глубине 50 км блок имеет ${\mathbf{ф}}_{{\mathbf{\rho }}}^{f}$ = 0.1–0.2% (${\mathbf{ф}}_{{\mathbf{\rho }}}^{m}$ = 1–3.5%), что значительно ниже, чем в расположенных южнее, активизированных зонах Олюторско–Восточно-Камчатской СФЗ (рис. 8). Разломы, ограничивающие тектонотипы региона, характеризуются высоким содержанием ${\mathbf{ф}}_{{\mathbf{\rho }}}^{f}$ = 0.2–2% по сравнению с субширотными разломами с ${\mathbf{ф}}_{{\mathbf{\rho }}}^{f}$ = 0.02–0.1%, секущими Прибрежный горст Камчатского полуострова (рис. 8а).
5. Очаговые зоны Ильпырского, Хаилинского и Олюторского катастрофических землетрясений, с гипоцентрами, расположенными на глубинах 10–30 км (Т = 800°С) в Олюторско–Восточно-Камчатской СФЗ (рис. 5б; зоны 1 и 8 на рис. 8), характеризуются содержанием ${\mathbf{ф}}_{{\mathbf{\rho }}}^{f}$ = 0.2–0.6% (или ${\mathbf{ф}}_{{\mathbf{\rho }}}^{m}$ = 2–4.5%). Под юго-восточной частью Олюторско–Восточно-Камчатской СФЗ мощность коры уменьшается до 20–25 км, и она рассматривается как кора переходного типа, при этом границы изменения волновой картины обменных волн и проводящих блоков наклонены в сторону Корякского нагорья, и наблюдается повышенное поглощение сейсмических волн1 (до 900 × × 10–6 м–1).
Под относительно спокойным в сейсмическом отношении Корякским нагорьем, представляющим собою систему покровов с двухъяростным строением1, на глубинах 10 и 50 км содержание водной фракции флюида достигает 0.12–0.16% (зона 10, рис. 8) или расплава с ${\mathbf{ф}}_{{\mathbf{\rho }}}^{m}$ = 1.6–3.5% на глубинах Zm > 50 км (Т > 1000°). С северо-запада Корякское нагорье граничит с Пенжинско–Западно-Камчатской СФЗ, которая возникла в пределах океанического рифта [Апрелков и др., 1997], закрывшегося в меловое время. Под его восточной частью – Парапольско-Пусторецком прогибом, на глубине 40 км ${\mathbf{ф}}_{{\mathbf{\rho }}}^{f}$ возрастает до 0.2% (зона 9, рис. 8, рис. 5а), а под западной – Пенжинской впадиной, блок с ${\mathbf{ф}}_{{\mathbf{\rho }}}^{f}$ = 0.3–0.4% воздымается до Zm = 10–15 км (зона 12, рис. 8а; рис. 5а). Под Омолонским срединным массивом проводимость литосферы возрастает только глубже 60 км. Его западная граница картируется Шайбовеемским глубинным разломом c ${\mathbf{ф}}_{{\mathbf{\rho }}}^{f}$ = 0.3–0.7%.
Такая картина распределения УЭС и сейсмических границ, блоков с высоким флюидонасыщением и поглощением сейсмических волн1 напоминает палеосубдукционную схему погружения с юго-востока и северо-запада под Укэлаятский срединный массив зон трещиноватости и сланцеватости [Белявский и др., 2008].
6. Проведенные исследования магнитотеллурическими методами показывают, что они помогают восстановить картину развития региональных структур картировать активизированные региональные и глубинные разломы выделять очаги землетрясений, блоки с высокой сейсмичностью и действующие вулканы, насыщенные водной фракцией флюида от 0.3 до 2% и расплавами (${\mathbf{ф}}_{{\mathbf{\rho }}}^{m}$) с 2.5 до 10%. Дальнейшее изучение магнитотеллурическими методами Корякско-Камчатского региона позволит повысить надежность сейсмического районирования, а мониторинг МТ методами может улучшить прогноз сейсмических и вулканических событий. Более детальную картину распределения флюида и расплавов дадут крупномасштабные МТ исследования. Построение геоэлектрических моделей следует проводить с помощью программ трехмерного математического моделирования или 3D-инверсии МТ данных, а оценивать величину флюидонасыщения и концентрации расплавов с учетом распределения скоростей сейсмических волн.
Список литературы
Апрелков С.Е., Ольшанская О.Н., Иванова Г.И. Тектоника Камчатки // Тихоокеанская геология. 1991. № 3. С. 62–74.
Апрелков С.Е., Декина Г.И., Попруженко С.В. Особенности геологического строения Корякского нагорья и бассейна реки Пенжины // Тихоокеанская геология. 1997. № 16. С. 1–7.
Белявский В.В., Золотов Е.Е., Нурмухамедов А.Г., Ракитов В.А., Шпак И.П., Храпов А.В., Яковлев А.Г., Сейсмоэлектрическая модель Охотско-Чукотского вулканогенного пояса и Центрально-Корякской складчатой зоны по профилю Верхнее Пенжино–Корф // Геофизика. 2008. № 2. С. 30–44.
Белявский В.В., Николаев Ю.И. Анализ экспериментальных и модельных МТ полей на основе трехмерного математического моделирования на примере профиля Верхнее Пенжино–Корф // Физика Земли. 2011. № 1. С. 1–14.
Белявский В.В. Геоэлектрическая модель Камчатско-Корякского региона. LAP LAMBRERT Academic Publishing, Germany, Saarbucken. 2011. 163 с. ISBN: 978-3-8454-7841-8.
Белявский В.В., Алексанова Е.Д. Трехмерная геоэлектрическая модель южной части полуострова Камчатка // Физика Земли. 2014. № 1. С. 11–32.
Белявский В.В., Яковлев А.Г. Профильная 1D–3D-инверсия данных МТЗ–МВЗ на примере Шивелучской вулканической зоны полуострова Камчатка // Физика Земли. 2016. № 1. С. 1–10.
Белявский В.В., Яковлев А.Г. Трехмерная интерпретация магнитотеллурических данных по Камчатскому перешейку // Геофизика. 2020. № 1. С. 23–35.
Браун Д., Массет А. Недоступная Земля. М.: Мир. 1984. 262 с.
Ваньян Л.Л. Электромагнитные зондирования. М.: Научный мир. 1997. 219 с.
Варенцов И.М. Общий подход к решению обратных задач магнитотеллурики в кусочно-непрерывных средах // Физика Земли. 2002. № 11. С. 11–33.
Гонтовая Л.И., Зубин М.И., Мороз Ю.Ф. Глубинная модель литосферы Ключевской группы вулканов на Камчатке (по геофизическим данным). Геофизические исследования литосферы. Киев: Институт геофизики им. С.Б. Субботина ВН Украины. 1993. С. 92–105.
Добрецов Н.Л., Симонов В.А., Кулаков И.Ю., Котляров А.В. Проблемы фильтрации флюидов и расплавов в зонах субдукции и общие вопросы теплофизического моделирования в геологии // Геология и геофизика. 2017. Т. 58. № 5. С. 701–722.
Ермаков В.А., Гарагаш И.А., Гонтовая И.А. Модель тектономагматических процессов в Ключевской группе вулканов (по геолого-геофизическим данным) // Вестник КраУНЦ. Науки о Земле. 2014. № 2. Вып. 24. С. 116–128.
Каракин А.В., Курьянов Ю.А., Павленкова Н.И. Разломы, трещиноватые зоны и волноводы в верхних слоях земной оболочки. М.: Государственный научный центр Российской Федерации – ВНИИгеосистем. 2003. 222 с. ISBN 5-8481-0020-9.
Кузин А.М. О флюидной составляющей процесса образования зон трещиноватости и разрывных нарушений // Геология, геофизика и разработка нефтяных и газовых месторождений. 2014. № 5. С. 43–50.
Мелихов В.Р., Лыгин И.В. Тектонические катастрофы и их место в эволюционном развитии Земли // Геофизика. 2008. № 2. С. 1–20.
Мишин В.В., Нурмухамедов А.Г., Белоусов С.П. Палеосубокеанический тип земной коры на северо-востоке Камчатки // Тихоокеанская геология. 2003. Т. 22. № 5. С. 58–72.
Мороз Ю.Ф. Обобщенная геоэлектрическая модель Камчатки. Электропроводность земной коры и верхней мантии Камчатки. Л.: Недра. 1991. 184 с.
Мороз Ю.Ф., Нурмухамедов А.Г., Мороз Т.А. Глубинная геоэлектрическая модель Петропавловского геодинамического полигона на Камчатке // Физика Земли. 2001. № 6. С. 38–66.
Моисеенко У.И., Смыслов А.А. Температура земных недр. Л.: Недра. 1986. 180 с.
Мелихов В.Р., Лыгин И.В. Тектонические катастрофы и их место в эволюционном развитии Земли // Геофизика. 2008. № 2. С. 11–19.
Нурмухамедов А.Г. Глубинное строение Северо-Восточной части Корякско-Камчатской складчатой области по геофизическим данным. Дис. … канд. геол.-мин. наук. Иркутск. 2010. С. 17.
Рингвунд А.Е. Состав и петрология мантии Земли. М.: Недра. 1981. 584 с.
Файф У., Прайс Н., Томпсон Ф. Флюиды в земной коре. М.: Мир. 1981. 433 с.
Физические свойства горных пород и полезных ископаемых (петрофизика). Справочник геофизика / Дортман Н.В. М.: Недра. 1984. 455 с.
Федотов С.А. Магматические питающие системы и механизм извержений вулканов. М.: Наука. 2006. 455 с.
Чебров В.Н., Абубакиров И.Р., Богданов В.В. Сильные Камчатские землетрясения 2013 года / Чебров В.Н. Петропавловск-Камчатский: Новая книга. 2014. 252 с.
Шарапова Н.В., Симбирева И.Г., Бондаренко П.М. Структура и геодинамика сеймофокальной зоны Курило-Камчатского региона. Новосибирск: Наука. Сиб. отд. 1984. 198 с.
Caldwell T.G., Bibby H.M., Brown C. The magnetotelluric phase tensor // Geophys. J. Int. 2004. V. 158. P. 457–469.
Counil, J.L., le Mouel J.L., Menvielle M. Associate and conjugate directions concepts in magnetotellurics // Ann. Geophys. 1986. V. 4B. № 2. P. 115–130.
Druskin V., Knizhnerman L. Spectral approach to solving three-dimensional Maxwell’s diffusion equations in the time and frequency domains // Radio Sci. 1994. V. 29. № 4. P. 937–953.
Li S., Unsworth M.J., Booker J.R., Wei W., Tan H., Jones A.G. Partial melt or aqueous fluid in the mid-crust of Southern Tibet? Constraints from INDEPTH magnetotelluric data // Geophys. J. Int. 2003. V. 153. P. 289–304.
Hedenquist J.W. The ascent of magmatic fluids: Eruption versus mineralization. Fluids and Ore Deposits. Mineralogi-cal Association of Canada Shortcourse. Victoria, Canada. May. 1995. P. 263–289.
Jones A. Electrical conductivity of the continental lower crust // Geological Survey of Canada Contribution. 1992. № 17492. P. 81–143.
Pommier A, Garnero1 E. J. Petrology-based modeling of mantle melt electrical conductivity and joint interpretation of electrical conductivity and joint interpretation of electromagnetic and seismic results // J. Geophys. Res.: Solid Earth. 2013. V. 119. P. 4001–4016. https://doi.org/10.1002/2013JB010449
Shankland T.I., Waff H.S. Partial melting and electrical conductivity anomalie in the upper mantle // J. Geophys. Res. 1977. V. 82. № 33. P. 5409–5417.
Shimojuku A., Yoshino T., Yamazaki D. Electrical conductivity of brine-bearing quartzite at 1 GPa: implications for fluid content and salinity of the crust // Earth, Planets Space. 2014. http://www.earth-planets-space.com/cohtene/66/1/2
Wyllie M.R.J., Gregory A.R. Gardner L.W. Elastic Wave velocities in heterogeneous and porous media // Geophysics. 1956. P. 41–70.
Yoshino T., Laumonier M., Mcisaac E., Katsura T. Electrical conductivity of basaltic and carbonatite melt-bearing peridotites at high pressures: Implications for melt distribution and melt fraction in the upper mantle // Earth Planet. Sci. Lett. 2011. V. 295. № 3–4. P. 593–602.
Дополнительные материалы отсутствуют.


